EasyManua.ls Logo

Potterton Paramount two - Application Example

Potterton Paramount two
80 pages
Print Icon
To Next Page IconTo Next Page
To Next Page IconTo Next Page
To Previous Page IconTo Previous Page
To Previous Page IconTo Previous Page
Loading...
Before installation
120-393 632.4 04.08 Fh
PARAMOUNT two 30 - 115 kW 19
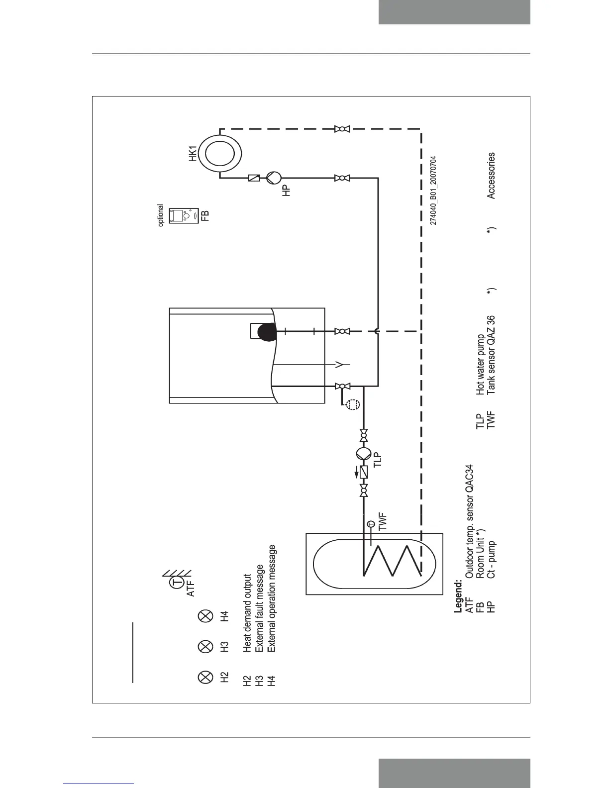
4.7 Application example
Application example: A pumped heat circuit with room control and DHW circuit
Hydraulic plan

Table of Contents

Related product manuals