EasyManua.ls Logo

Powerware 9155 - Page 25

Powerware 9155
106 pages
Print Icon
To Next Page IconTo Next Page
To Next Page IconTo Next Page
To Previous Page IconTo Previous Page
To Previous Page IconTo Previous Page
Loading...
UPS Only Installation
19
Powerware
®
9155 UPS (8–15 kVA) User’s Guide S 164201553 Rev D www.powerware.com
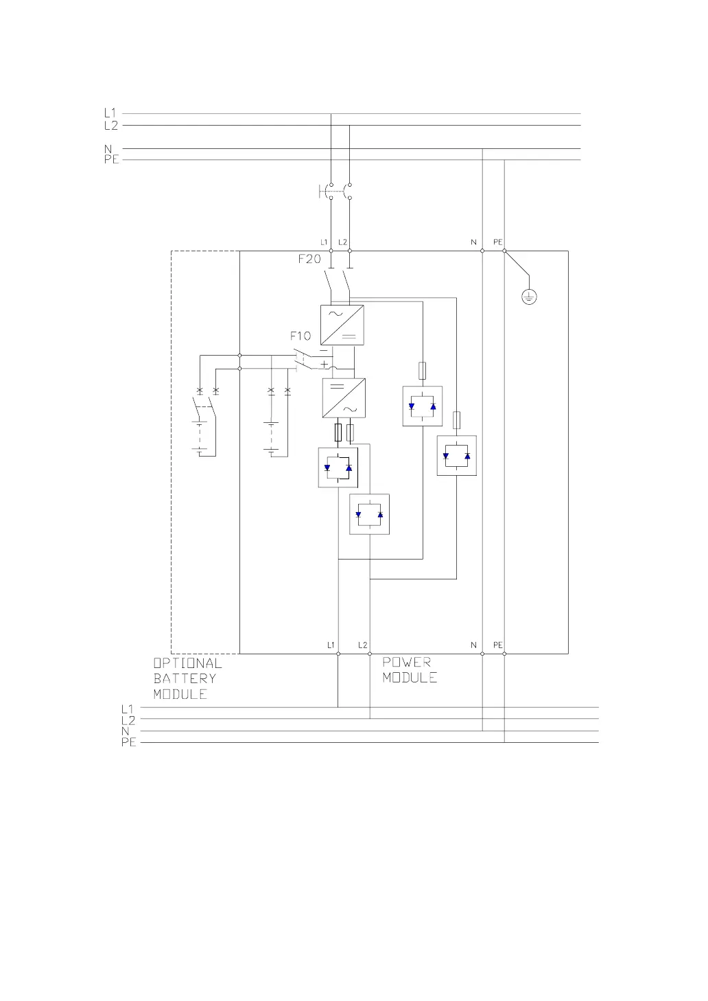
Figure 7. UPS Only Wiring Diagram

Table of Contents

Related product manuals