EasyManua.ls Logo

Powerware 9155 - Page 33

Powerware 9155
106 pages
Print Icon
To Next Page IconTo Next Page
To Next Page IconTo Next Page
To Previous Page IconTo Previous Page
To Previous Page IconTo Previous Page
Loading...
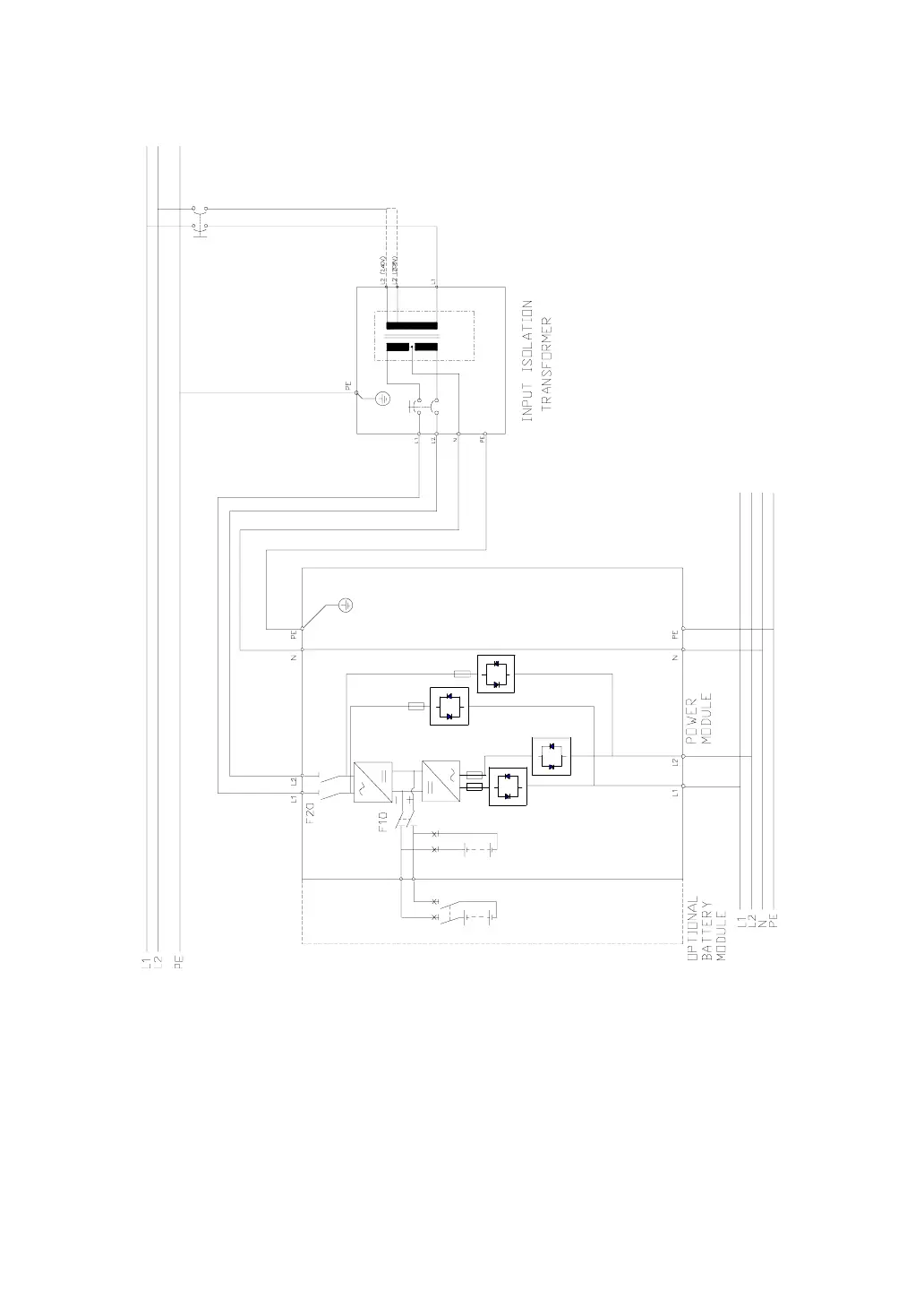
Input Isolation Transformer Installation
27
Powerware
®
9155 UPS (8–15 kVA) User’s Guide S 164201553 Rev D www.powerware.com
Figure 11. UPS with Input Isolation Transformer Wiring Diagram

Table of Contents

Related product manuals