EasyManua.ls Logo

Powerware 9155 - Page 53

Powerware 9155
106 pages
Print Icon
To Next Page IconTo Next Page
To Next Page IconTo Next Page
To Previous Page IconTo Previous Page
To Previous Page IconTo Previous Page
Loading...
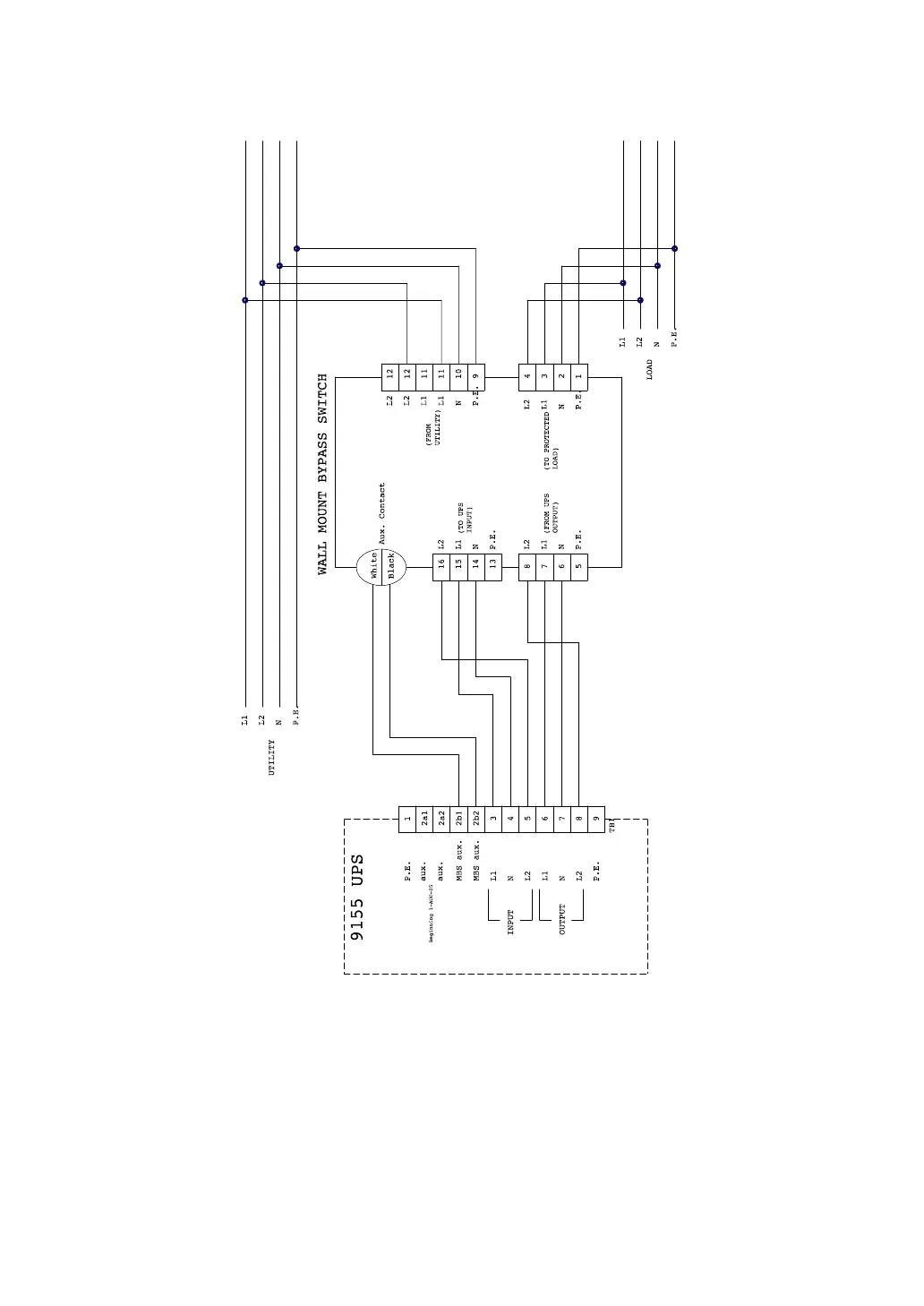
Wall-Mounted Bypass Switch Installation
47
Powerware
®
9155 UPS (8–15 kVA) User’s Guide S 164201553 Rev D www.powerware.com
Figure 28. UPS with Wall-Mounted Bypass Switch Wiring Diagram

Table of Contents

Related product manuals