EasyManua.ls Logo

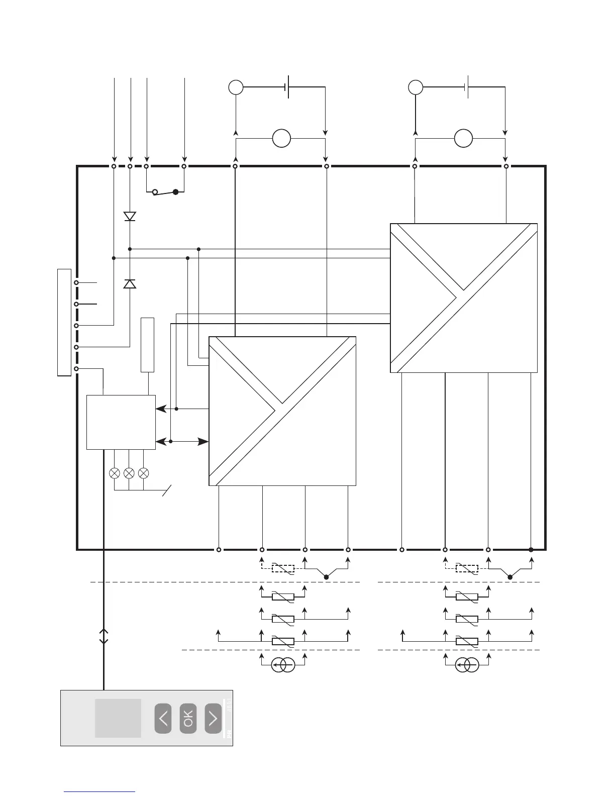
PR 9113 - System Block Diagram

Default Icon
65 pages
Print Icon
To Next Page IconTo Next Page
To Next Page IconTo Next Page
To Previous Page IconTo Previous Page
To Previous Page IconTo Previous Page
Loading...
9113
51
31
14
32
34
33
12
11
13

100C
12 mA
*
*
I+
mA
I+
mA
54
53
52
44
43
42
41
NC*NC*
+24V
CPU
FLASH
mA
mA
++
-
+
-
+
-
+
-
+
234
234
9113 - Product Version 9113-004 17
Status relay N.C.
Status relay N.C.
RTD, conn.
wires
Gnd.
Supply +24 VDC
Gnd.
Gnd.
Current
RTD, conn.
wires TC
Current
Gnd.
Power Rail connections
Channel 1
Channel 2
TC
Device status, Green
Ch. 1 status, Red
Ch. 2 status, Red
*NC=noconnection
BLOCK DIAGRAM

Table of Contents

Related product manuals