EasyManua.ls Logo

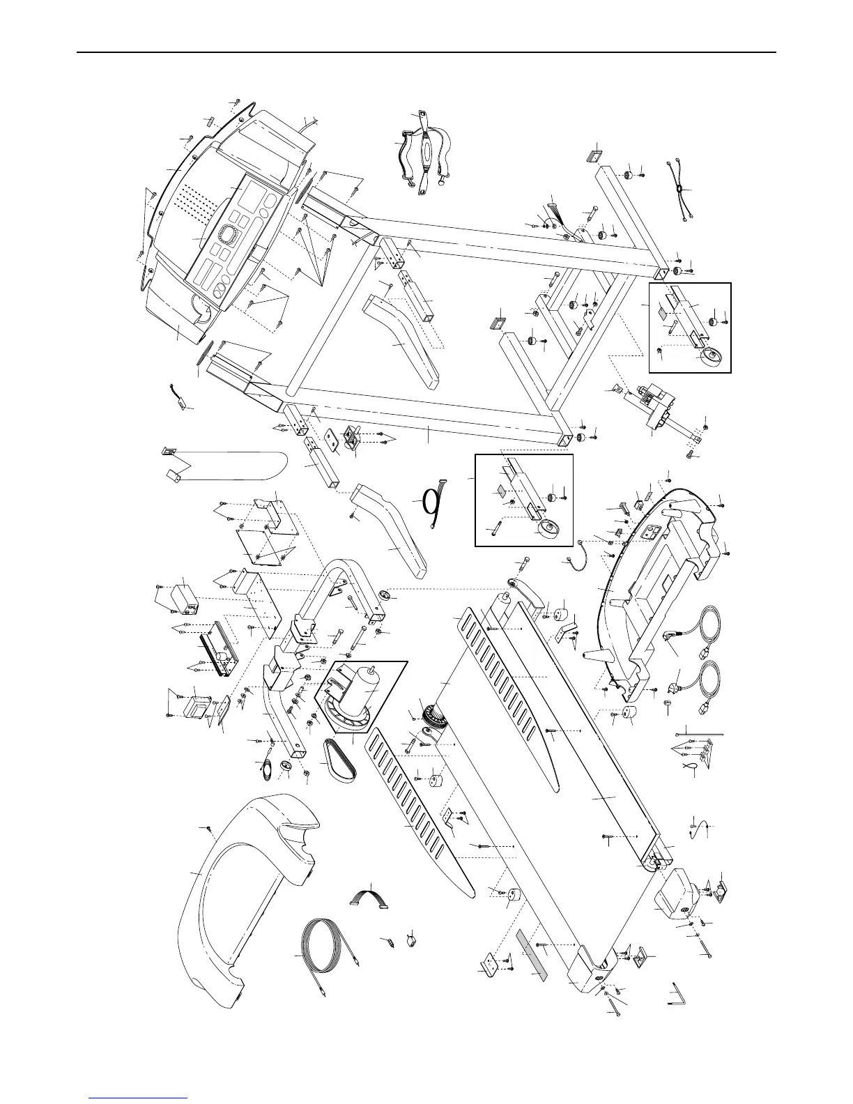
Pro-Form 10.5qm - Exploded Drawing of Treadmill Assembly; Treadmill Assembly Component Diagram

Pro-Form 10.5qm
27 pages
Print Icon
To Previous Page IconTo Previous Page
To Previous Page IconTo Previous Page
Loading...
33
33
40
33
33
33
EXPLODED DRAWING—Model No. PETL61020 R0502A
31
35
52
3
60
59
56
3
55
58
44
35
53
100*
35
35
38
49
9
9
109
26
1
37
13
24
18
22
21
20
4
3
8
79
99
91
97
45
96
33
35
94
57
87
93
91
92
33
35
88
80
45
106
35
84
83
24
81
33
72
75
73
74
33
72
70
78
77
75
76
70
75
75
69
72
33
73
33
37
72
35
67
66
65
62
35
68
37
35
35
64
30
63
74
98
16
17
15
5*
6
7
14
3
12
11
3
8
10
33
24
82
82
23
27
29
28
95
51
90
89
36
92
57
85
101
102
103
61
2
86
54
54
2
82
82
25
37
105
109
41
42
39
39
34
35
35
32
43
34
35
35
46
63
50
3
56
55
58
44
35
35
44
35
35
44
19
3
35
44
35
44
35
47
49
48
12
3
71
71
100*
108
12
3
53
44
107
107
110
111
82
35
EXPLODED DRAWING—Model No. PETL61020 R0802A