EasyManua.ls Logo

Pro-Form 465 S - Exploded Drawing; Component Assembly Diagram

Pro-Form 465 S
16 pages
Print Icon
To Next Page IconTo Next Page
To Next Page IconTo Next Page
To Previous Page IconTo Previous Page
To Previous Page IconTo Previous Page
Loading...
24
8
52
4
3
64
52
52
50
56
55
46
49
5
49
47
48
38
42
42
42
42
23
44
45
24
6
38
50
48
47
49
49
46
55
56
5
60
22
22
67
33
17
2
41
21
34
66
41
57
10
33
21
39
39
60
60
40
40
14
12
35
37
38
37
36
36
51
51
51
51
15
52
18
19
20
20
34
9
33
33
16
61
61
16
62
1
30
31
31
32
30
27
26
38
28
25
33
51
51
51
15
13
37
36
36
38
35
11
40
40
52
63
65
29
64
52
33
68
27
7
54
42
59
59
58
52
54
52
53
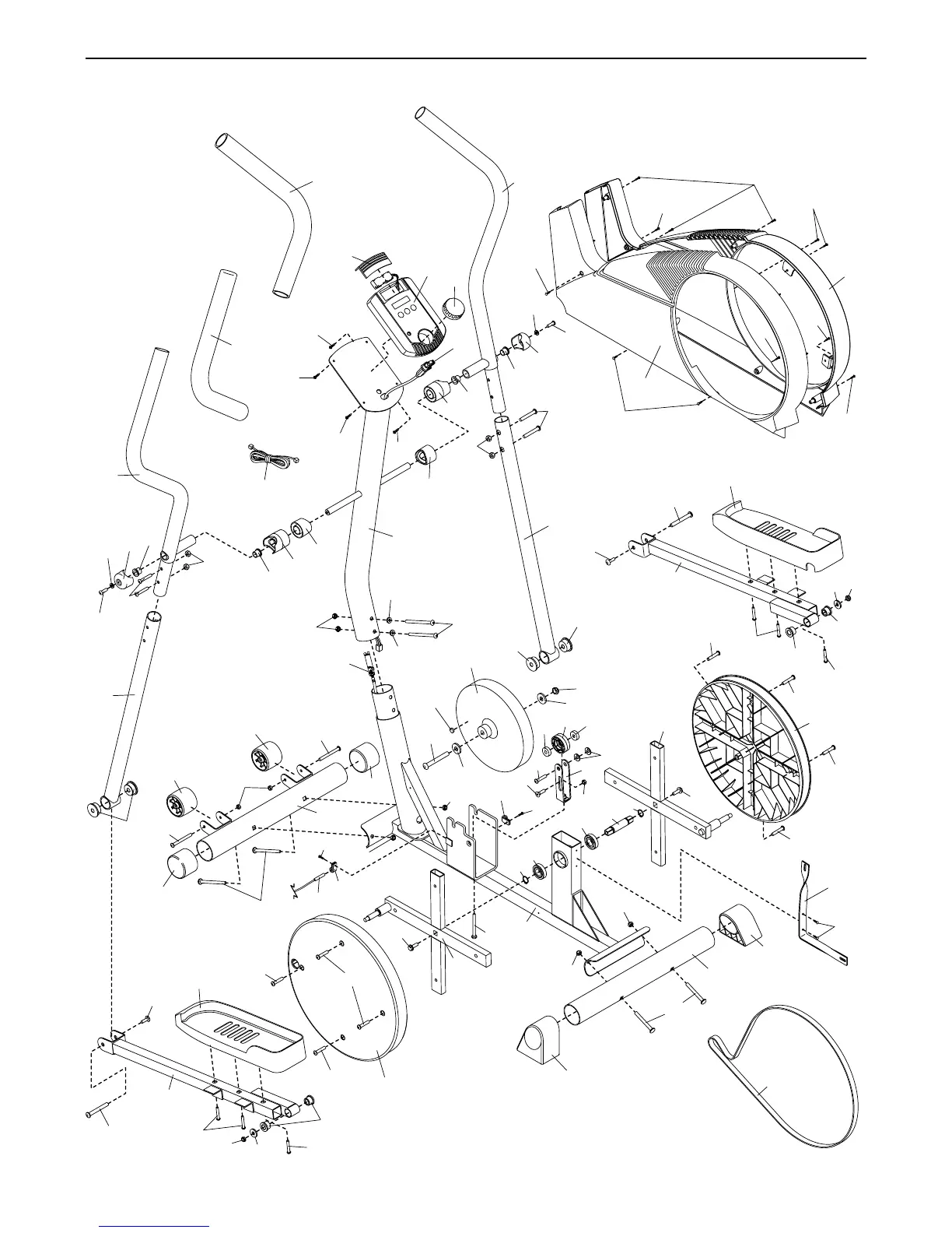
EXPLODED DRAWING—Model No. PFEVEL19010 R1201A
15

Other manuals for Pro-Form 465 S

Related product manuals