EasyManua.ls Logo

Pro-Form 765 CROSSTRAINER - Page 33

Pro-Form 765 CROSSTRAINER
36 pages
Print Icon
To Next Page IconTo Next Page
To Next Page IconTo Next Page
To Previous Page IconTo Previous Page
To Previous Page IconTo Previous Page
Loading...
11
11
11
11
72
15
71
37
37
37
12
12
1
2
1
24
24
68
69
28
24
67
61
66
73
70
103
39
19
19
26
64
63
62
65
32
24
105
105
113
29
29
29
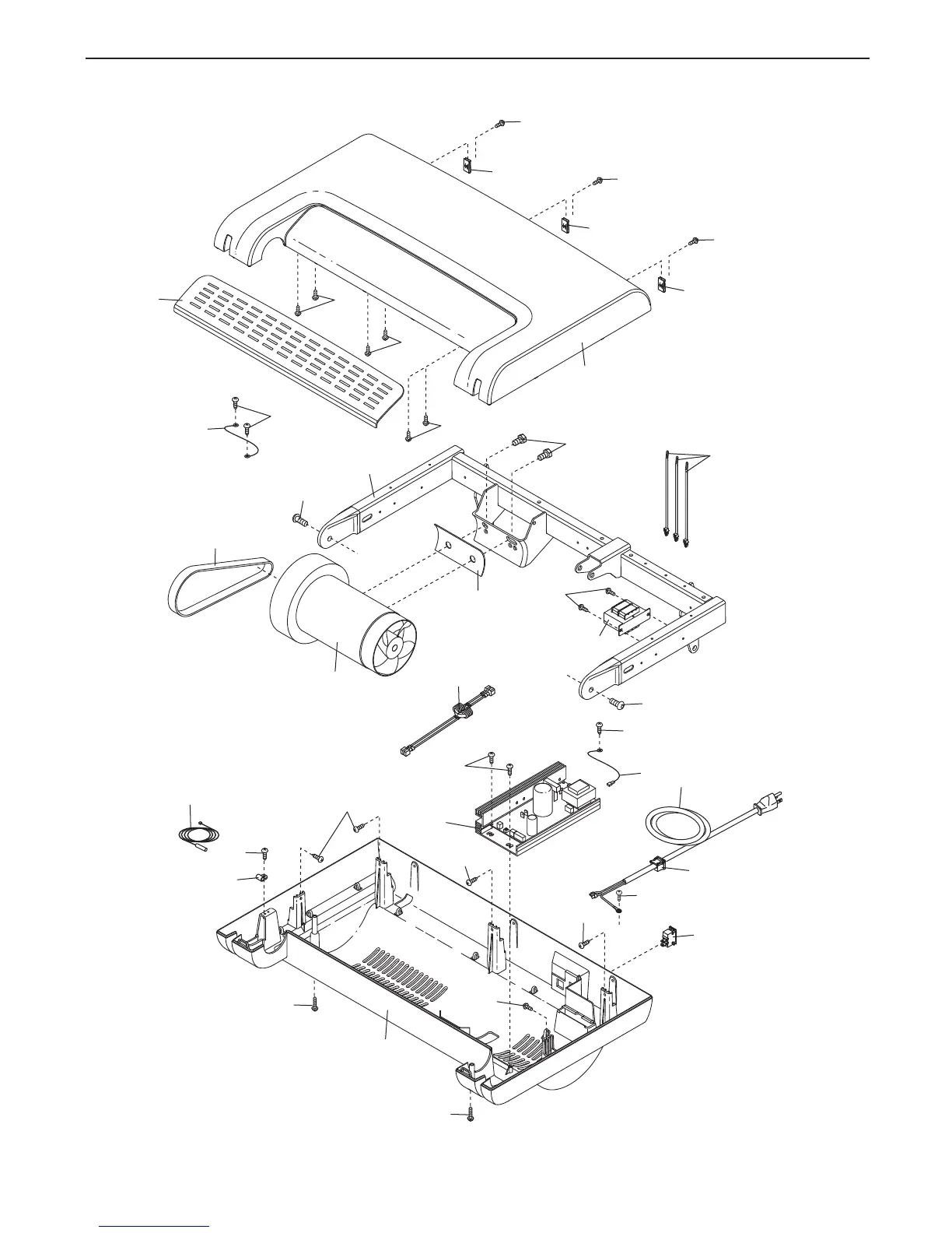
EXPLODED DRAWING B—Model No. PFTL79507.0 R
1207A
33

Related product manuals