EasyManua.ls Logo

Pro-Form PRO 7000 - Page 38

Pro-Form PRO 7000
40 pages
Print Icon
To Next Page IconTo Next Page
To Next Page IconTo Next Page
To Previous Page IconTo Previous Page
To Previous Page IconTo Previous Page
Loading...
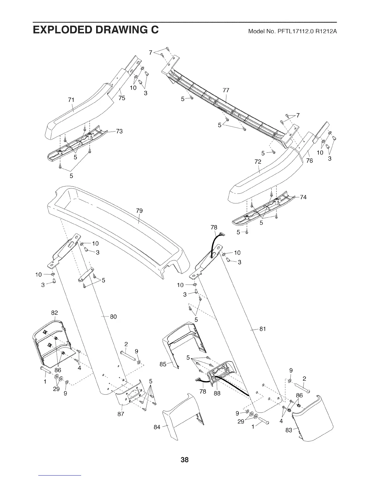
EXPLODED DRAWING C Model No. PFTL17112.0 R1212A
71
75
77
5
76
79
78
5
82
86 4
9
2
9
5
78
88
81
9
86
87
84
38

Related product manuals