EasyManua.ls Logo

Prochem BLAZER PLUS - Chemical System

Prochem BLAZER PLUS
104 pages
Print Icon
To Next Page IconTo Next Page
To Next Page IconTo Next Page
To Previous Page IconTo Previous Page
To Previous Page IconTo Previous Page
Loading...
OPERATION
BLAZER 980073 09/16/02
3-10
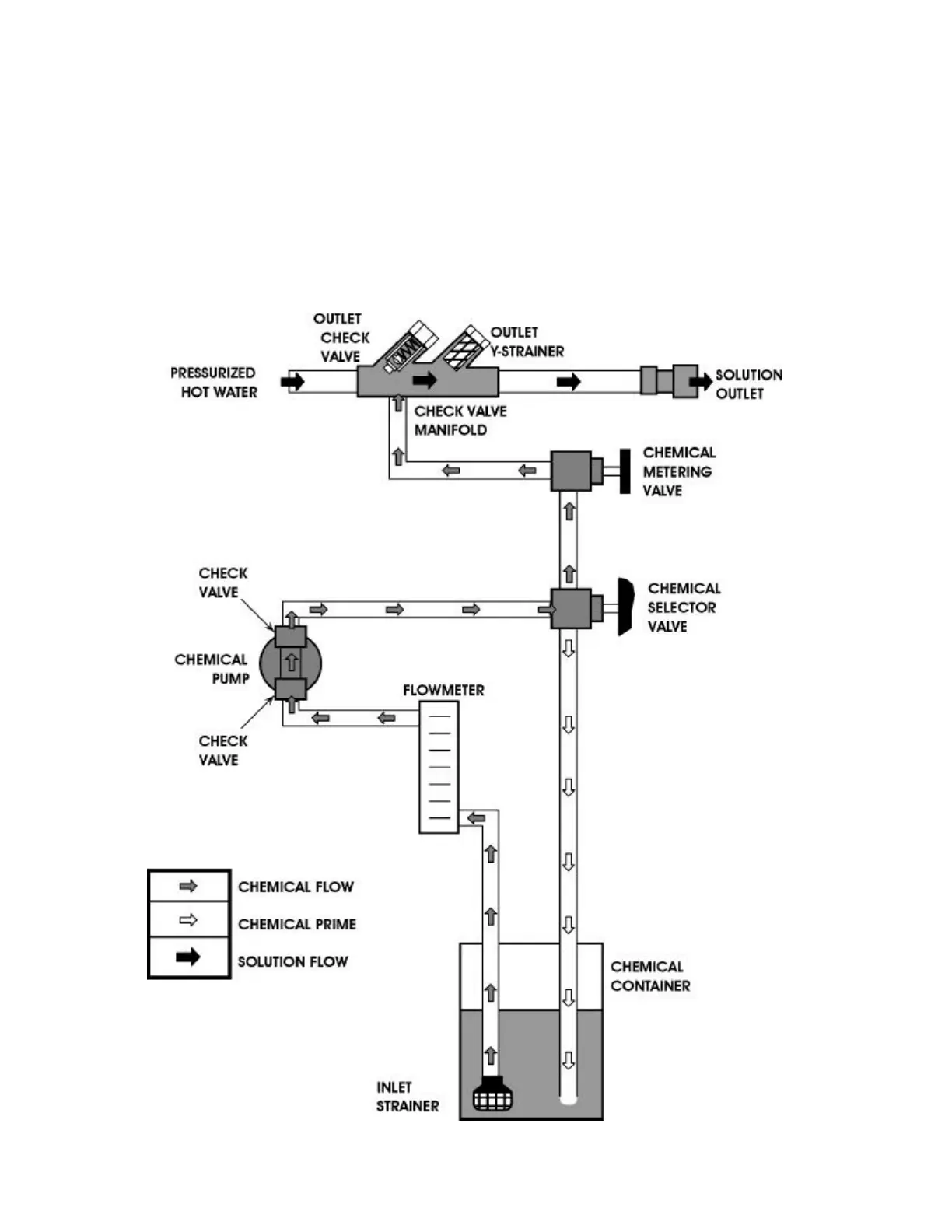
CHEMICAL PUMPING SYSTEM
The chemical is drawn from the chemical container
through a strainer into the flow meter. The flow
meter indicates the rate of chemical flow.
The chemical then flows through a check valve into
a pulse-powered chemical pump.
Next, the chemical pump injects the chemical
through a check valve to the 3-way selector valve on
the control panel. This valve may turn the chemical
flow ON, OFF, or PRIME the chemical pump.
The chemical then flows through a metering valve to
the solution outlet. This valve controls the rate of
flow of chemical injection into the cleaning solution
which is indicated on the flow meter.

Table of Contents

Related product manuals