EasyManua.ls Logo

Prochem BLAZER PLUS - Auxiliary Water Tank Connection

Prochem BLAZER PLUS
104 pages
Print Icon
To Next Page IconTo Next Page
To Next Page IconTo Next Page
To Previous Page IconTo Previous Page
To Previous Page IconTo Previous Page
Loading...
MAINTENANCE
BLAZER 980073 09/16/02
4-13
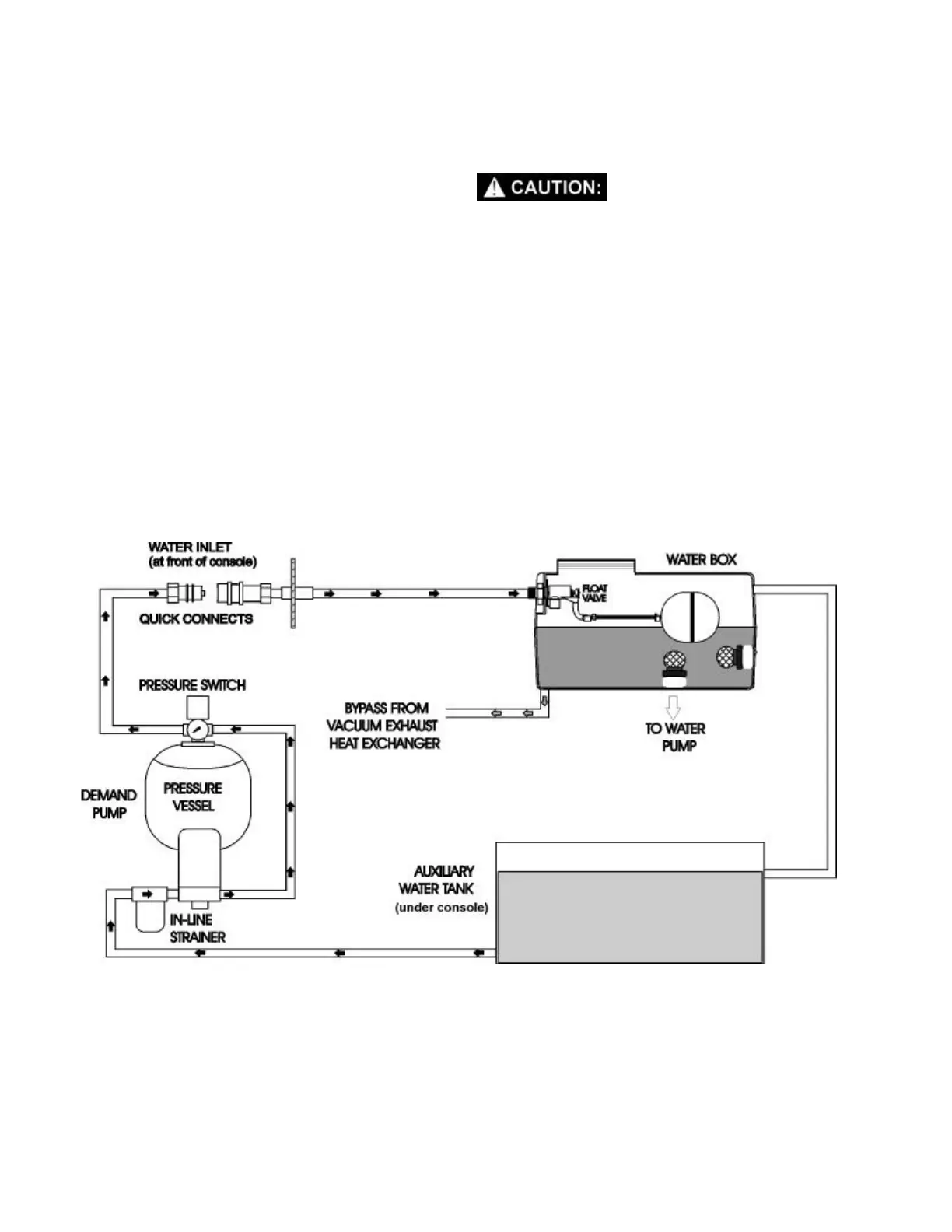
AUXILIARY WATER TANK CONNECTION & OPERATION
AUXILIARY WATER TANK CONNECTION
Your cleaning unit may be equipped with an auxiliary
water tank mounted underneath the console.
The figure below illustrates how the demand pump
works with the auxiliary water tank and how it
connects to the console.
1. Connect the ¾” I.D. water hose coming from the
in-line strainer on the demand pump to the barb
fitting at the bottom rear left side of the water
tank. Trim the hose for the best fit. Tighten the
hose clamps.
2. Connect the demand pump cord to the 2-pole
connector on the console (located on the left
side of the console near the vacuum pump.)
When using the auxiliary water tank as your
water source, be sure you have enough water in
the tank to complete the job.
3. Connect the hose from the demand pump to the
water inlet at the front of the console.
4. Turn the demand pump toggle switch “ON”.
5. See Operations section in this manual for
instructions on filling the auxiliary water tank.

Table of Contents

Related product manuals