EasyManua.ls Logo

Prochem BLAZER PLUS - Engine

Prochem BLAZER PLUS
104 pages
Print Icon
To Next Page IconTo Next Page
To Next Page IconTo Next Page
To Previous Page IconTo Previous Page
To Previous Page IconTo Previous Page
Loading...
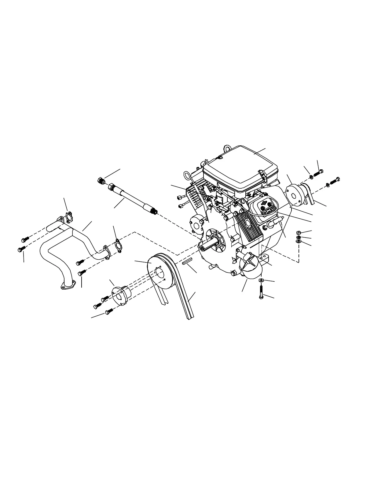
ENGINE
BLAZER 980073 09/16/02
5-5
14
12
8
9
5
3
22
7
2
1
19
20
13
20
16
16
6
5
4
24
5
10
11
23
21
18
16
17
15

Table of Contents

Related product manuals