EasyManua.ls Logo

Procom SN280TYA - Connecting to Gas Supply

Procom SN280TYA
22 pages
Print Icon
To Next Page IconTo Next Page
To Next Page IconTo Next Page
To Previous Page IconTo Previous Page
To Previous Page IconTo Previous Page
Loading...
7
CLEARANCES TO
COMBUSTIBLES
(Vent-Free Operation Only)
Carefully follow the instructions below.
This stove is a freestanding unit
designed to set directly on the floor.
IMPORTANT: You must maintain
minimum wall and ceiling clearances
during installation. The minimum
clearances are shown in Figure 4.
Measure from outermost point of stove
top.
Minimum Wall and Ceiling
Clearances
(see Figure 4)
A. Clearances from outermost point
of stove top to any combustible side
wall should not be less than 12
inches.
B. Clearances from outermost point of
stove top to any combustible back
wall should not be less than 6
inches (lncludes corner
installations).
C. Clearances from the stove top to
the ceiling should not be less than
48 inches.
CONNECTING TO GAS
SUPPLY
WARNING: A qualified service
person must connect heater to gas
supply. Follow all local codes.
CAUTION: Never connect
heater directly to the propane/LP
supply. This heater requires an
external regulator (not supplied).
lnstall the external regulator between
the heater and propane/LP supply.
INSTALLATION ITEMS
NEEDED
Before installing heater, make sure
you have the items listed below.
piping (check local codes)
sealant (resistant to propane/LP gas)
equipment shutoff valve*
test gauge connection*
sediment trap
see joint
pipe wrench
flexible gas hose.(check local codes)
A CSA design-certified equipment
shutoff valve with 1/8
" NPT tap is
an acceptable alternative to test
gauge connection. Purchase the
optional CSA design-certified
equipment shutoff valve from your
dealer. See Accessories.
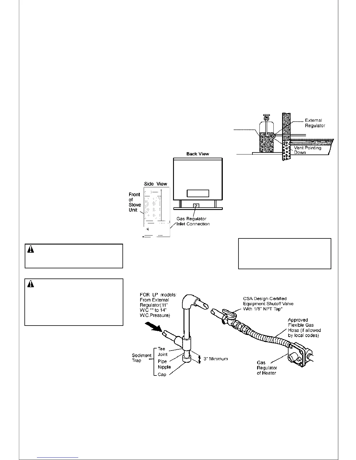
Figure 5 -Gas Regulator Location
and Gas Line Access Into Stove
Cabinet
Figure 6 -External Regulator With
Vent Pointing Down
Figure 7 -Gas Connection
FOR LP models
The installer must supply an external
regulator. The external regulator will
reduce incoming gas pressure. You
must reduce incoming gas pressure
to between 11 to 14
" inches of water.
If you do not reduce incoming gas
pressure, heater regulator damage
could occur. lnstall external regulator
with the vent pointing down as shown
in Figure 6. Pointing the vent down
protects it from freezing rain or sleet.
* Purchase the optional CSA design-certified equipment shutoff valve from
your dealer. See Accessories, page 13.
* Minimum inlet pressure for purpose of input adjustment.
Propane/LP
Supply Tank
FOR NG models:
(4” W.C.-10.5”W.C.)
No External Regulator Needed
purchase
NG MODELS:
5” to 10.5” W.C.
Gas supplier provides external
regulator for natural gas.

Related product manuals