EasyManua.ls Logo

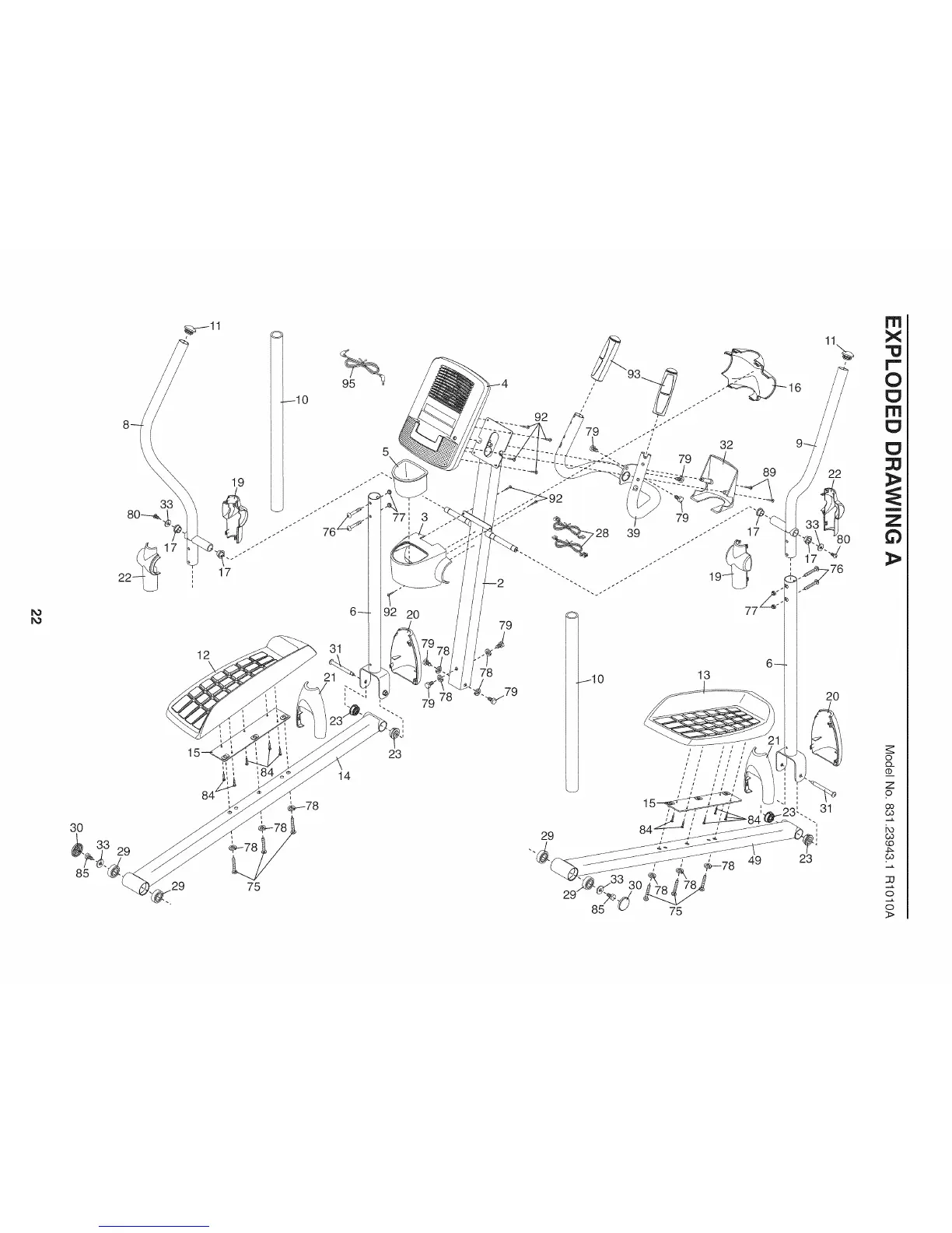
ProForm 390 E - EXPLODED DRAWING A

ProForm 390 E
24 pages
Print Icon
To Next Page IconTo Next Page
To Next Page IconTo Next Page
To Previous Page IconTo Previous Page
To Previous Page IconTo Previous Page
Loading...
tO
29
12
19
17
._10
1
77', 3
92 20
79
23
14
29
13
20
31
i
i
23
85 75
m
X
r"
0
m
m
Z
0
o
0._
o
Z
o
o0
co
co
r..o
03
0
0

Related product manuals