EasyManua.ls Logo

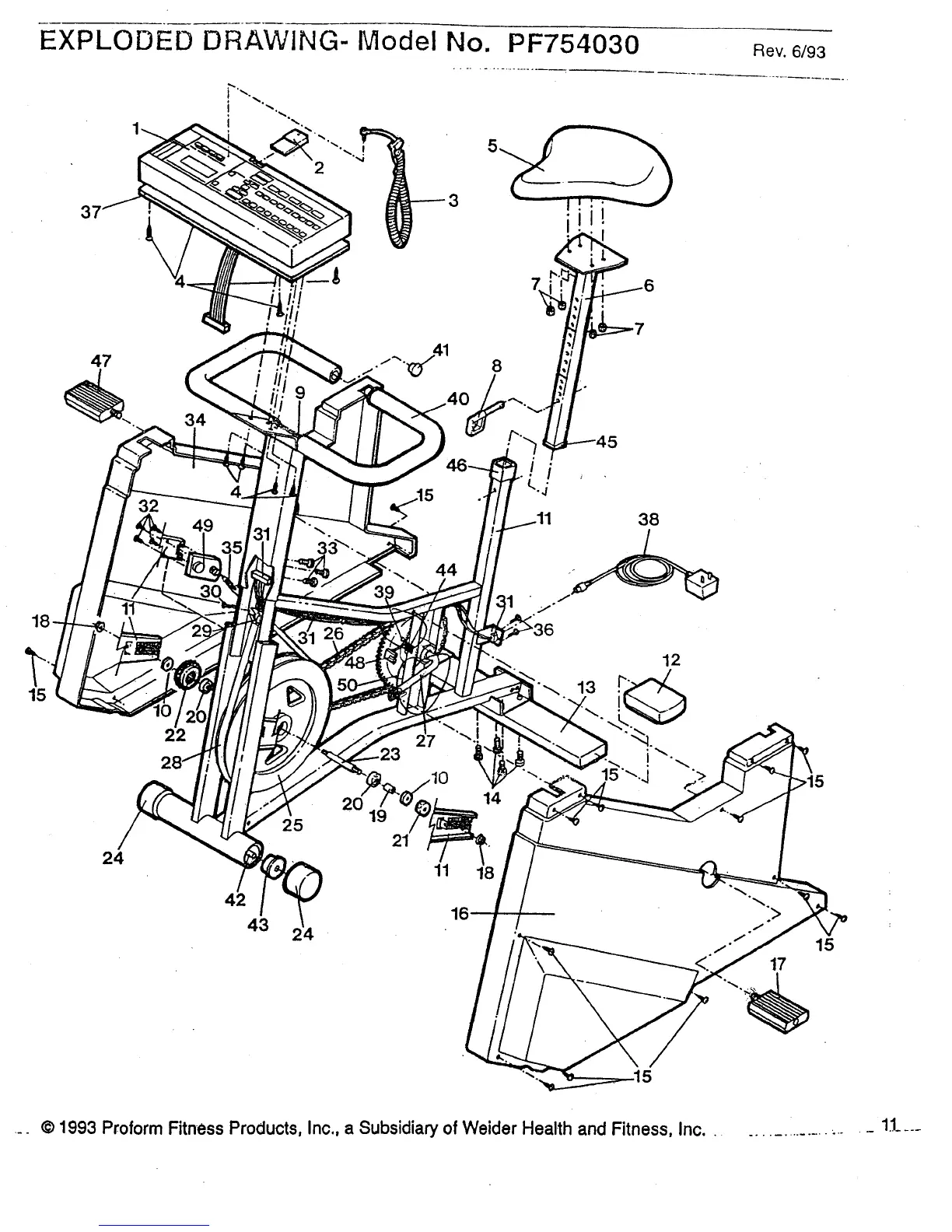
ProForm 754 - EXPLODED DRAWING; Visual Component Breakdown Diagram

ProForm 754
12 pages
Print Icon
To Next Page IconTo Next Page
To Next Page IconTo Next Page
To Previous Page IconTo Previous Page
To Previous Page IconTo Previous Page
Loading...

Related product manuals