EasyManua.ls Logo

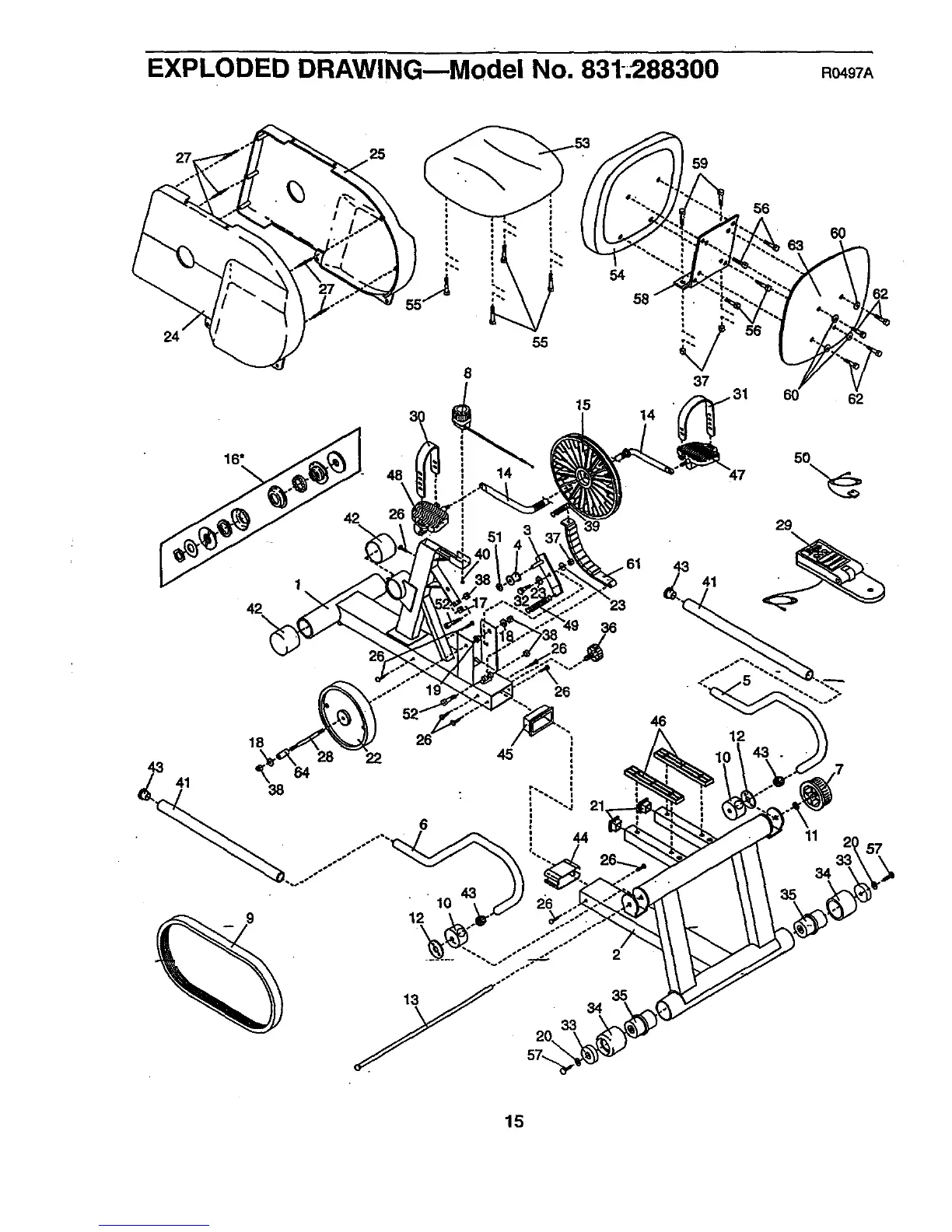
ProForm 990 S - Exploded Assembly Diagram

ProForm 990 S
16 pages
Print Icon
To Next Page IconTo Next Page
To Next Page IconTo Next Page
To Previous Page IconTo Previous Page
To Previous Page IconTo Previous Page
Loading...
EXPLODED DRAWING--Model No. 831-,288300 R0497A
25
24
42
48
8
14
54
15
58
59
37
14
43
41
56
60
63
62
29
18
43 64
4_.joooO.o.
22 45
6
21
44
57
35
34
15

Related product manuals