EasyManua.ls Logo

Quectel BC65 - Recommended RF Connector for Antenna Installation

Quectel BC65
56 pages
Print Icon
To Next Page IconTo Next Page
To Next Page IconTo Next Page
To Previous Page IconTo Previous Page
To Previous Page IconTo Previous Page
Loading...
NB-IoT Module Series
BC65 Hardware Design
BC65_Hardware_Design 39 / 55
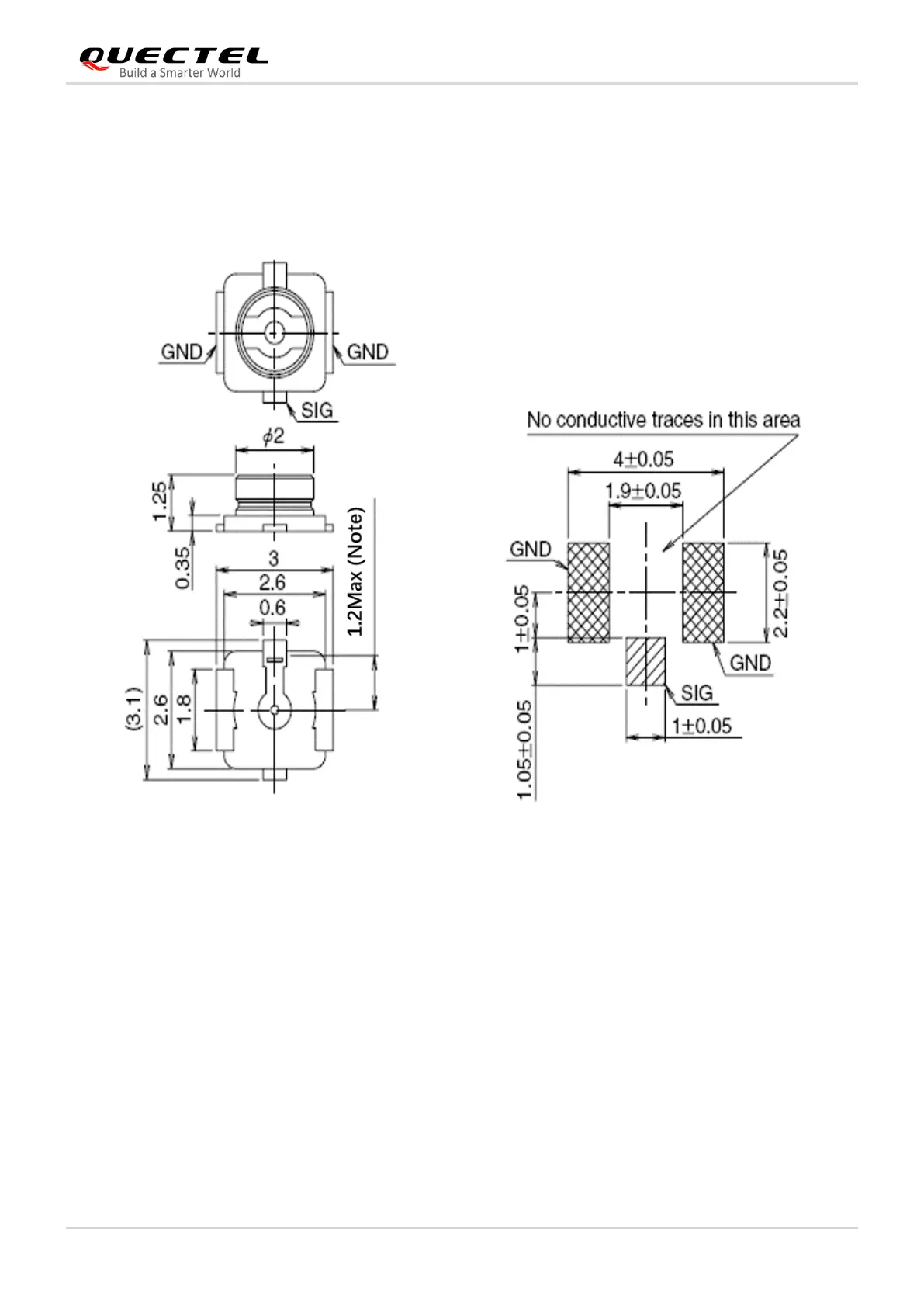
4.3. Recommended RF Connector for Antenna Installation
If RF connector is used for antenna connection, it is recommended to use the U.FL-R-SMT connector
provided by HIROSE.
Figure 28: Dimensions of the U.FL-R-SMT Connector (Unit: mm)
(Note) Tolerance value of mold resin applied to center contact.

Related product manuals