EasyManua.ls Logo

Rae MiniRAE 3000 - Preset Alarm Limits & Calibration; Testing the Alarm; Integrated Sampling Pump

Rae MiniRAE 3000
113 pages
Print Icon
To Next Page IconTo Next Page
To Next Page IconTo Next Page
To Previous Page IconTo Previous Page
To Previous Page IconTo Previous Page
Loading...
MiniRAE 3000 User’s Guide
43
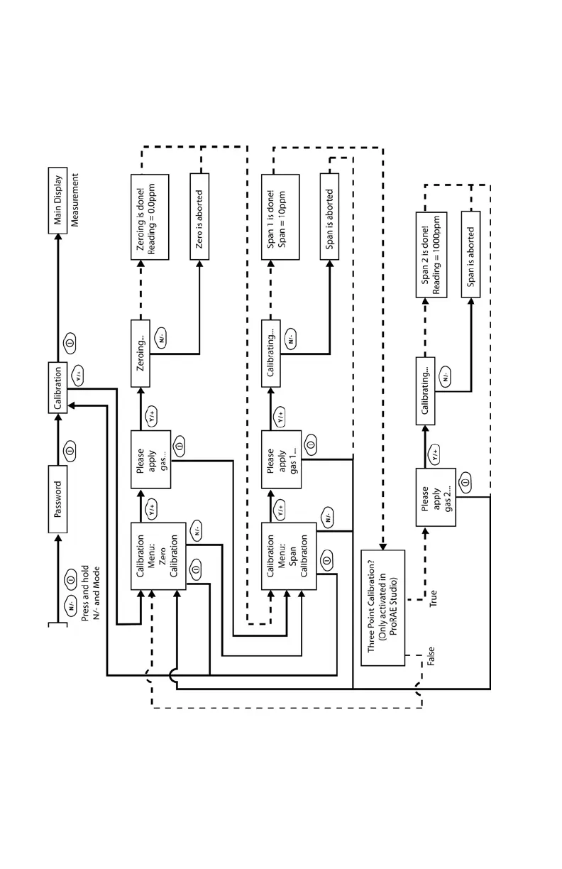
Note: Dashed line indicates automatic progression.

Table of Contents

Other manuals for Rae MiniRAE 3000

Related product manuals