EasyManua.ls Logo

Rangemaster 110 Induction - Circuit Diagram: Conventional Oven

Rangemaster 110 Induction
40 pages
Print Icon
To Next Page IconTo Next Page
To Next Page IconTo Next Page
To Previous Page IconTo Previous Page
To Previous Page IconTo Previous Page
Loading...
31
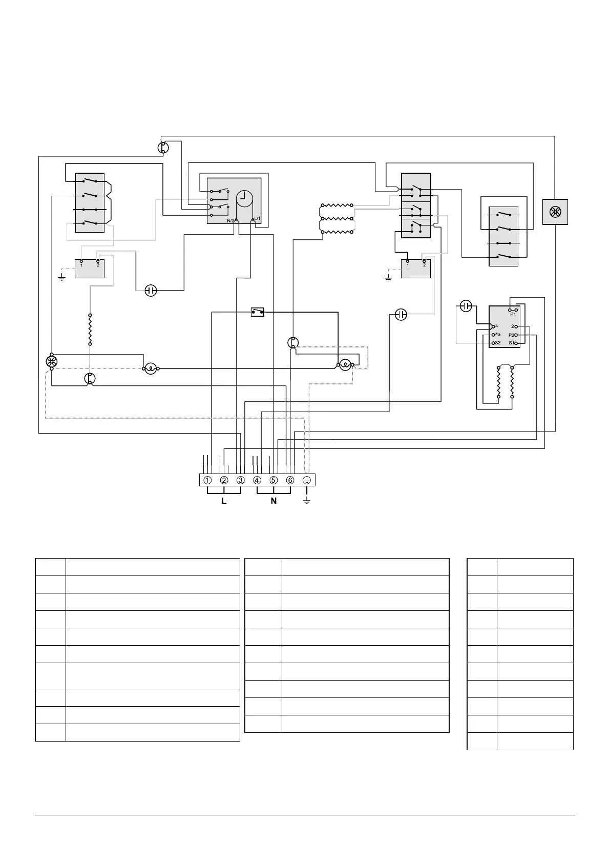
Circuit Diagram: Conventional Oven
Key
The connections shown in the circuit diagram are for single-phase. The ratings are for 230 V 50 Hz.
ArtNo.080-0029 110 induction (oven) circuit diagram
P033458
2
3
4
1
P3
P2
P1
P4
P1
P2
P3
1
2
4
3
5
P033458
2
3
4
1
P3
P2
P1
P4
br br br
br
b b b b b b b b b
g/y
g/y
br
g/y
b
b b
o
w
w
w
g/y
y
y
y
b
b
b
br
br
br
v
o
bk
bk
v
v
v
br
y
v
v
v
br bk
b
g/y
b
g/y
b
b
b
w
w
y
v
v
wb
g/y
bk
w
br
w
br
br
br
br
v
v
v
v
b
br
br
r r
r
bk
v
br
b
br
b
bk
v
bk
r
b
bk
b
bk
b
g/y
w
b
y
E
A2
C
A1
H
J
A4
G2
A3
H
G1
B3
B4
B5
B2
B1
D3
J
G2
H
F
D1
J
D3
Code Description
A1 Right-hand oven thermostat
A2 Right-hand oven thermostat front switch
A3 Right-hand oven element
A4 Right-hand oven fan
B1 Left-hand zoned oven thermostat
B2
Left-hand zoned oven thermostat front
switch
B3 Zoned oven browning element (inner pair)
B4 Zoned oven top element (outer pair)
B5 Zoned oven base element
Code Description
C Clock
D1 Grill energy regulator
D2 Grill elements
D3 Grill front switch
F Cooling fan
G1 Oven light switch
G2 Oven light
H Thermal cut-out
J Neon
Code Colour
b Blue
br Brown
bk Black
or Orange
r Red
v Violet
w White
y Yellow
g/y Green/yellow
gr Grey

Related product manuals