EasyManua.ls Logo

Ravelli SPILLO - Page 52

Ravelli SPILLO
68 pages
Print Icon
To Next Page IconTo Next Page
To Next Page IconTo Next Page
To Previous Page IconTo Previous Page
To Previous Page IconTo Previous Page
Loading...
User and maintenance manual for stoves with RDS technology
Pag.52
01/02/2016
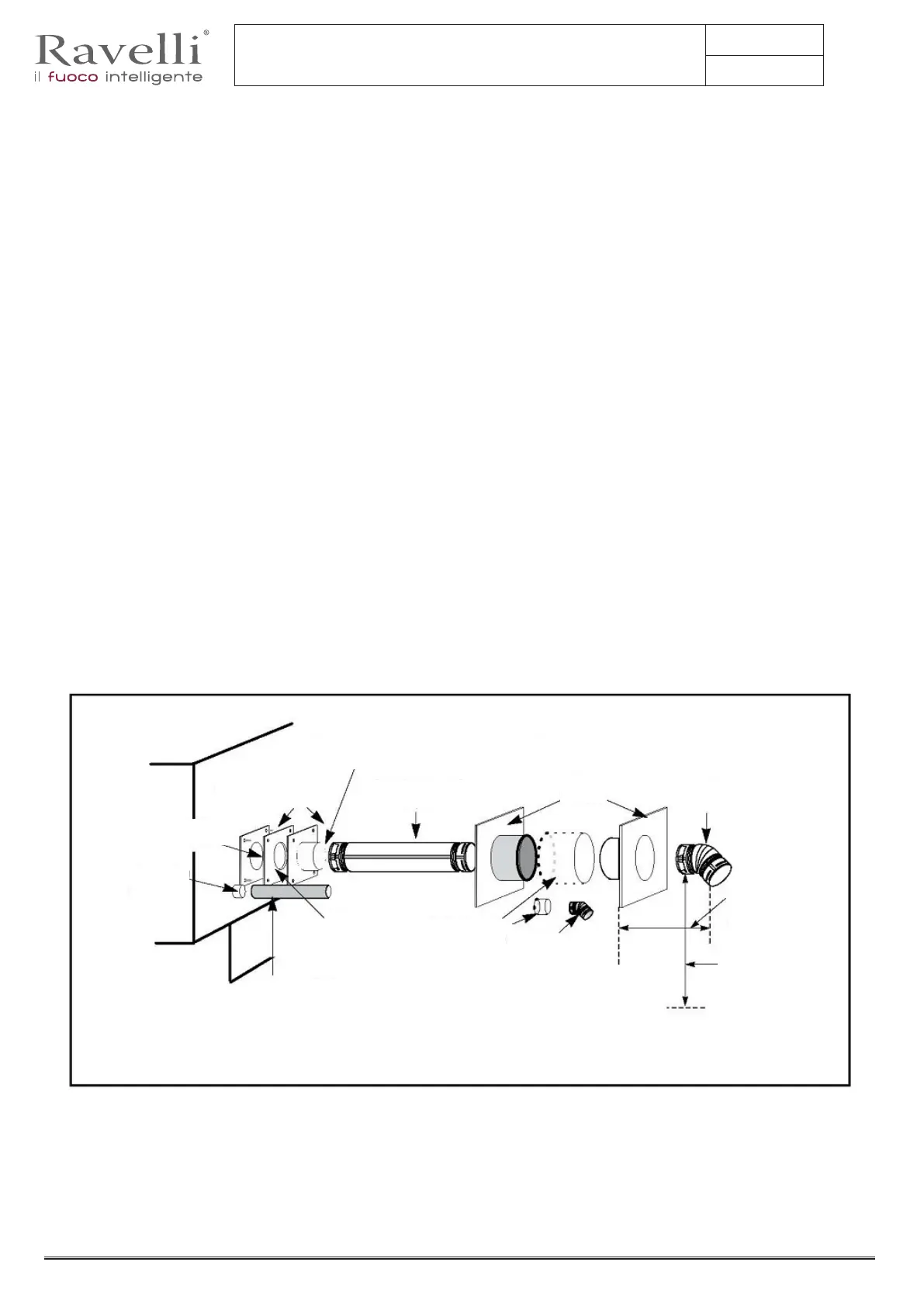
Congurations d'installation horizontale standard
1. Localisez le positionnement approprié pour la bague
murale de type « PL ». Évitez de couper les poteaux
muraux lors de l'installation de votre tuyau. Utilisez une
scie sauteuse ou scie à guichet pour couper le bon
diamètre de trou à travers le mur pour installer la bague
murale. Faites preuve d’une extrême vigilance pour
éviter de couper dans des lignes électriques situées à
l'intérieur des murs de votre maison.
La taille du trou dépend de la marque de ventilation de
pellets
que vous utilisez. Installez la bague murale dans le trou.
2. TOUS LES RACCORDS DE TUYAUX EMBOÎTES AU
SEIN DE LA PIECE DOIVENT ETRE ETANCHEIFIES
AVEC
DU SILICONE RTV HAUTE TEMPERATURE AVEC
UN MINIMUM DE 3 FIXATIONS PAR RACCORDS;
Positionnez le poêle à environ 12’’ (305 mm) du mur sur
l'assise de plancher. Poussez le tuyau « PL » à travers
la bague murale de type « PL ». Écrasez une perle de
silicone haute température
(RTV) autour de l’extrémité de la section usinée du
raccord de tuyau 3’ (76 mm) sur l’arrière du poêle.
Poussez fermement sur une section du tuyau « PL »
jusqu’à ce que la gaine de tuyau intérieure appuie dans
la perle du mastic RTV.
3. Poussez le poêle avec le tuyau fixé vers le mur (le
tuyau traversera la bague murale). Ne positionnez
l’arrière du poêle à moins de 2" (51 mm) du mur.
4. Installez le coude à 45 degrés de type « PL » avec un écran
anti-rongeurs ou un bouchon (recommandé) sur l’extrémité
extérieure
du tuyau. L’écran anti-rongeurs doit être composé d’une maille
qui soit pas inférieure à 1/2’’ (13 mm) et peut se retrouver
bouché avec de la suie et des cendres si vous le laissez sans
surveillance pendant la saison de combustion.
REMARQUE : L’extrémité du tuyau d'échappement doit
dépasser
de minimum 12’’ (305 mm) de l’extérieur du bâtiment.
5. Si l'installation inclut une source d’air de combustion
extérieur ; coupez un trou séparé à travers le mur pour le tuyau
d'air frais. Utilisez un tuyau en acier inoxydable ou galvanisé
pour le conduit. La taille minimale pour le conduit doit être
inférieure à 50 % de la section transversale de la cheminée.
Raccordez le tuyau d'air extérieur à l'entrée d'air sur le poêle.
Ce tuyau doit se terminer par un coude à 45 degrés ou un
cache.
REMARQUES :
L’air de combustion peut également provenir de l’espace du
vide sanitaire sous la maison.
Tous les joints des raccords de tuyaux doivent être fixés avec
au moins trois vis. En cas de ventilation horizontale, les joints
doivent être étanches aux gaz (étanches à l’air, raccordement
étanche) d’une manière identique à celle indiquée sur cette
page (voir instruction n°2).
Installez une ventilation aux distances spécifiées par le
fabricant de la ventilation.
Joint en silicone et 3 vis requis sur le premier raccord d’évent.
Fixez et étanchéiez les secons d’évent restantes suivant les instrucons du fabricant de l’évent.
Déconnexion
rapide
Trous à travers
le trou pour
la bague et le
tuyau d’air frais
Orice
d’échappement
45° degrés
Joint coudé
pour tuyau d’air
frais
12» (305 mm)
Min. Du
Mur extérieur
Joint
Lytherm
12”(305 mm)
Du sol ou d’une
autre surface
Collet
d’admission
d’air de
combuson
Tuyau d’air frais en métal
EN OPTION (SAUF POUR LES INSTALLATIONS EN
MAISONS MOBILES)
Déconnexion
rapide
Tuyau droit
« évent PL »
Bague
murale
Coude à
45°
Joint en silicone et trois vis requis sur le premier raccord d’évent.
Fixez et étanchéiez les secons d’évent restantes SUIVANT LES INSTRUCTIONS DU FABRICANT DE L’EVENT.
Arrière
du poêle
Fig. 13. Installation de ventilation horizontale

Table of Contents

Other manuals for Ravelli SPILLO

Related product manuals