EasyManua.ls Logo

Raymarine E70293 - 4.4 Testing and Adjusting the Transducer

Raymarine E70293
120 pages
To Next Page IconTo Next Page
To Next Page IconTo Next Page
To Previous Page IconTo Previous Page
To Previous Page IconTo Previous Page
Loading...
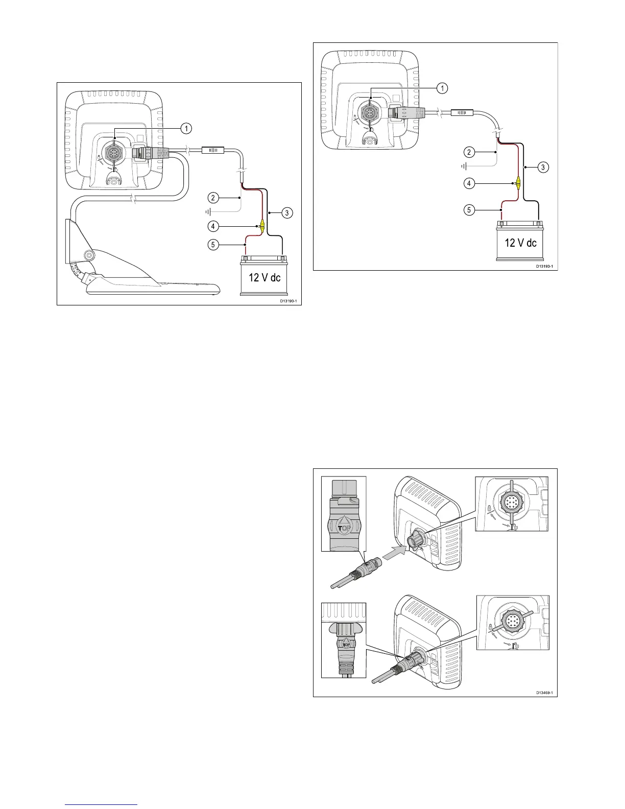
5.3Cableconnection–DV,DVS,Pro
andWi-Fish
Theunithasacombinedpowerandtransducer
cablethatisattachedtothetransducer.
D13190-1
2
4
5
3
1
12 V dc
1.Connectthetransducer/powerconnectorto
therearoftheunitandsecureusingthelocking
collar.
2.Thedrainwireshouldbeconnectedtothevessel
RFgroundpoint.Ifyourvesselhasnoground
pointconnecttothenegativesideofthevessel’s
powersupply.
3.TheNegativewiremustbeconnectedtothe
negativesideofthe12Vdcpowersupply.
4.Afuseholder(notsupplied)MUSTbettedto
thepositivewireusingasuitablyratedinlinefuse
orbreaker.
5.Thepositivewiremustbeconnectedtothe
positivesideofthe12Vdcpowersupply.
5.4Connectingthepowercable-5M
D13193-1
2
4
5
3
1
12 V dc
1.Connectthepowercabletotherearofthedisplay
andsecureusingthelockingcollar.
2.Thedrainwireshouldbeconnectedtothevessel
RFgroundpoint.Ifyourvesselhasnoground
pointconnecttothenegativesideofthevessel’s
powersupply.
3.TheNegativewiremustbeconnectedtothe
negativesideofthe12Vdcpowersupply.
4.Afuseholder(notsupplied)MUSTbettedto
thepositivewireusingasuitablyratedinlinefuse
orbreaker.
5.Thepositivewiremustbeconnectedtothe
positivesideofthe12Vdcpowersupply.
Connectingthecabletothedisplay
D13469-1
1.Ensurethelockingcollarisintheunlocked
position.
2.Ensurethatthecableconnectorisorientated
correctly,rotatesothattheword‘TOP’isonthe
topofthecableconnector.
38
Dragony–4/Dragony–5/Dragony–7/Wi–Fish

Table of Contents

Related product manuals