EasyManua.ls Logo

Raypak CROSSWIND-65-O - Crosswinds 50-O

Raypak CROSSWIND-65-O
28 pages
Print Icon
To Next Page IconTo Next Page
To Next Page IconTo Next Page
To Previous Page IconTo Previous Page
To Previous Page IconTo Previous Page
Loading...
16
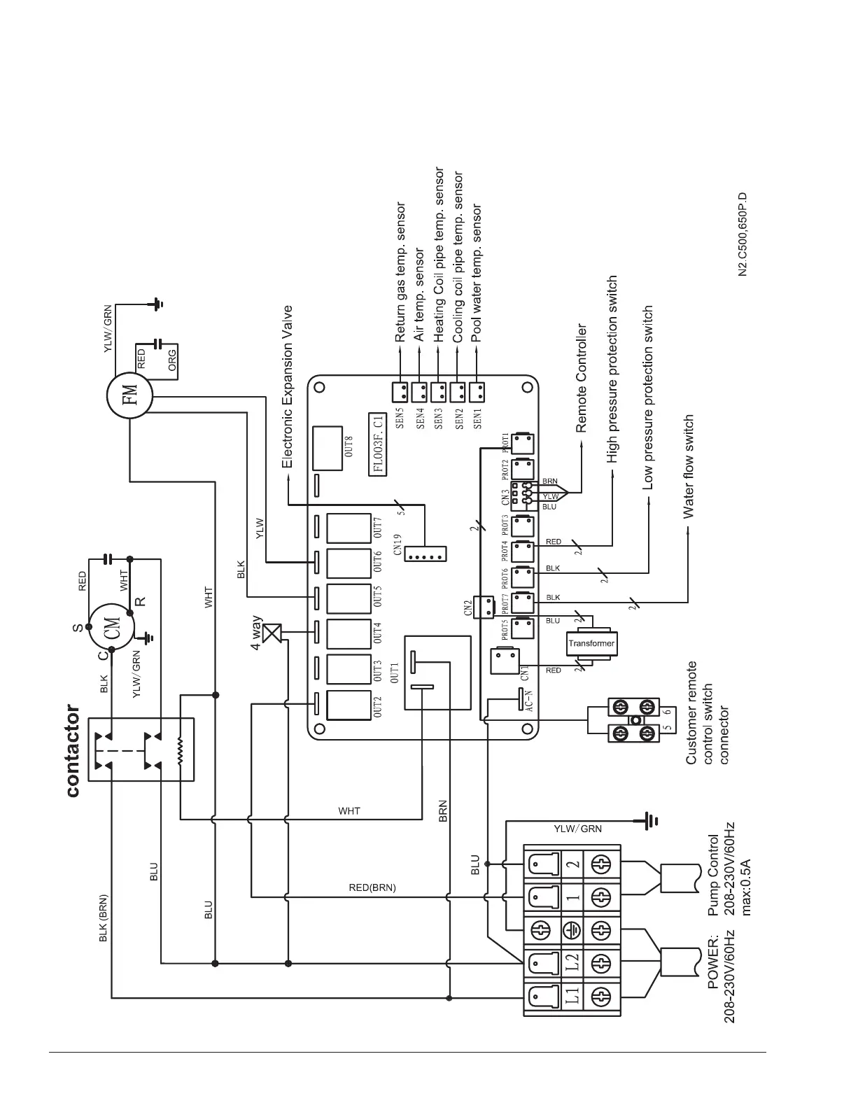
F10767
Crosswinds 50-O
6100.64_Crosswind.indd 16 11/26/2019 4:16:46 PM

Related product manuals