EasyManua.ls Logo

RCm ATOM SA - Impianto Elettrico; Instalación Eléctrica; Electric System

RCm ATOM SA
118 pages
Print Icon
To Next Page IconTo Next Page
To Next Page IconTo Next Page
To Previous Page IconTo Previous Page
To Previous Page IconTo Previous Page
Loading...
88
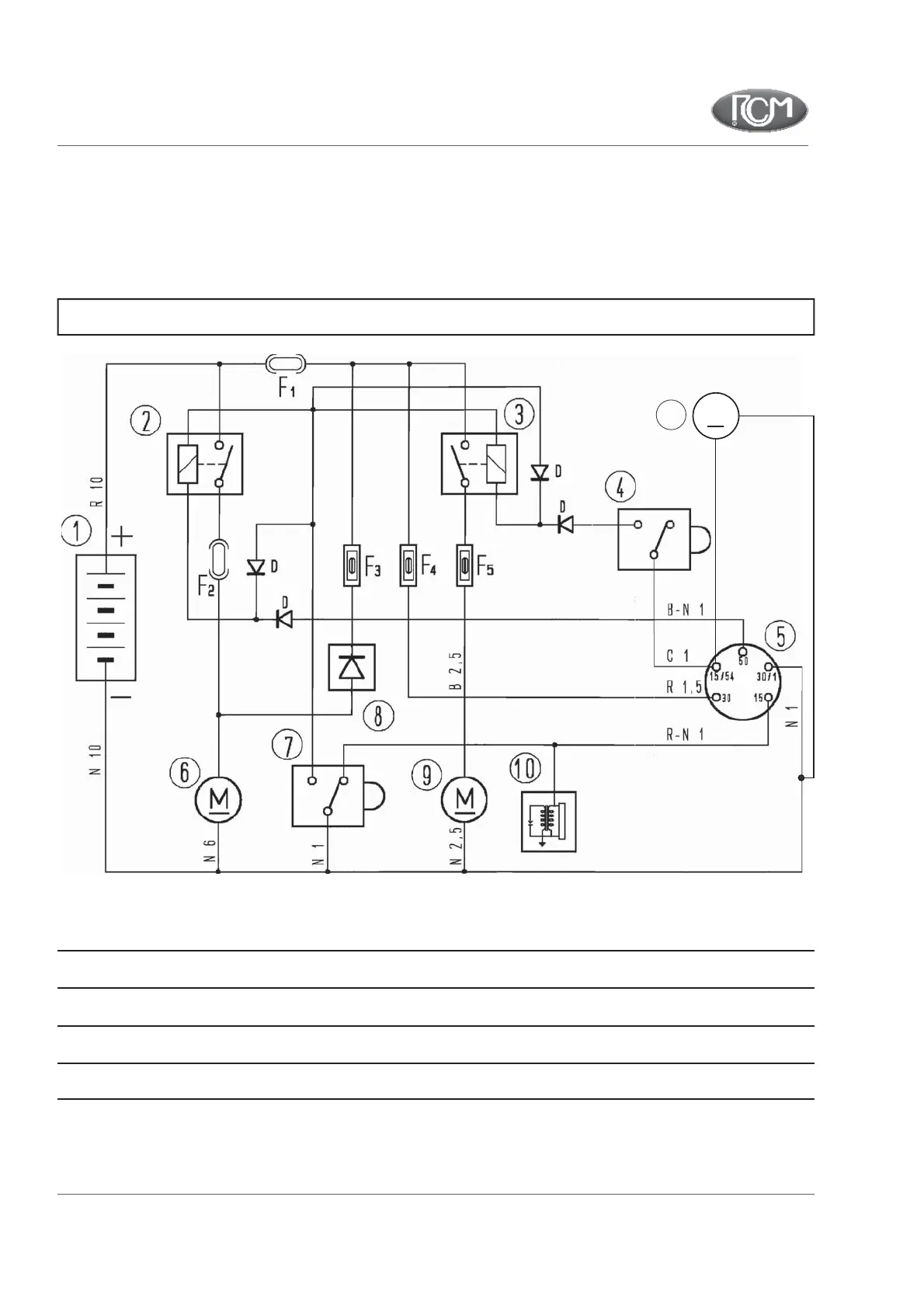
FIG.24
M
R 1
N 1
+
_
11
IMPIANTO ELETTRICO (VERSIONE A BENZINA)
I’impianto elettrico ha una tensione de 12 V. ed è formato da una batteria da 12 V - 40Ah
ELECTRIC SYSTEM (PETROL VERSION)
The electrical system operates at 12 V and is powered by a battery 12 V, 140 Ah. (fig.24)
INSTALACIÓN ELÉCTRICA (VERSIÓN GASOLINA)
La instalación eléctrica tiene una tensión de 12 V y está formado por una batería de 12V - 40Ah (fig.24)
INSTALLATION ÉLECTRIQUE (VERSION À ESSENCE)
L’installation électrique a une tension de 12 V et est formée par une batterie de 12 V – 40 Ah .(fig.24)
ELEKTRISCHE ANLAGE (TREIBSTOFF VERSION)
Die elektrische Anlage arbeitet mit einer Spannung von 12V und besteht aus 1 Batterie zu 12V - 40Ah (Fig.24).
ELEKTRISCH SYSTEEM (BENZINE VERSIE)
De elektrische installatie heeft een spanning van 12V en wordt gevormd door één betterij van 12V– 40Ah (fig.24).
ATOM SA

Table of Contents

Related product manuals