EasyManua.ls Logo

RCm ATOM SA - Page 94

RCm ATOM SA
118 pages
Print Icon
To Next Page IconTo Next Page
To Next Page IconTo Next Page
To Previous Page IconTo Previous Page
To Previous Page IconTo Previous Page
Loading...
94
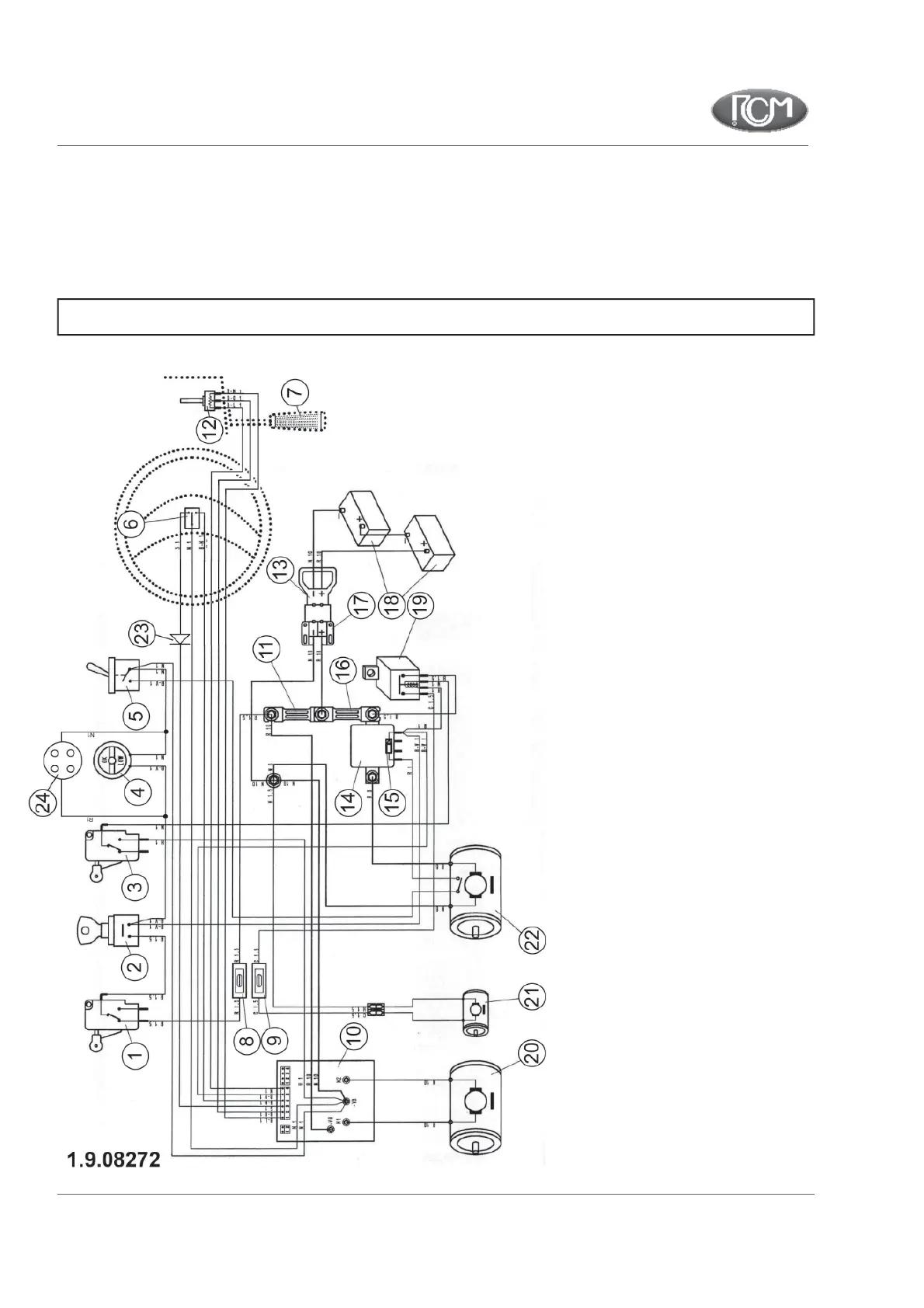
FIG.25B
SCHEMA IMPIANTO ELETTRICO (VERSIONE ELETTRICA)
Colorazione fi li
A AZZURRO
B BIANCO
C ARANCIONE
G GIALLO
H GRIGIO
L BLU
M MARRONE
N NERO
R ROSSO
S ROSA
V VERDE
Z VIOLA
ELECTRIC WIRING DIAGRAM (ELECTRIC VERSION)
Wire colours
A LIGHT-BLUE
B WHITE
C ORANGE
G YELLOW
H GREY
L BLUE
M BROWN
N BLACK
R RED
S PINK
V GREEN
Z VIOLET
ESQUEMA DE LA INSTALACIÓN ELÉCTRICA (VERSIÓN ELÉCTRICA)
Colores de los cables
A AZUL CLARO
B BLANCO
C NARANJA
G AMARILLO
H GRIS
L AZUL OSCURO
M MARRÓN
N NEGRO
R ROJO
S ROSA
V VERDE
Z LILA
SCHÉMA INSTALLATION ÉLECTRIQUE (VERSION ÉLECTRIQUE)
Couleurs des fi ls
A BLEU CLAIR
B BLANC
C ORANGE
G JAUNE
H GRIS
L BLEU
M MARRON
N NOIR
R ROUGE
S ROSE
V VERT
Z VIOLET
SCHALTPLAN (ELEKTRISCHE VERSION)
Drahtfarben
A HELLBLAU
B WEISS
C ORANGE
G GELB
H GRAU
L BLAU
M BRAUN
N SCHWARZ
R ROT
S ROSA
V GRÜN
Z VIOLETT
SCHEMA ELEKTRISCH SYSTEEM (ELEKTRISCHE VERSIE)
Draadkleuren
A LICHTBLAUW
B WIT
C ORANJE
G GEEL
H GRIJS
L BLAUW
M BRUIN
N ZWART
R ROOD
S ROSE
V GROEN
Z PAARS
ATOM SA

Table of Contents

Related product manuals