EasyManua.ls Logo

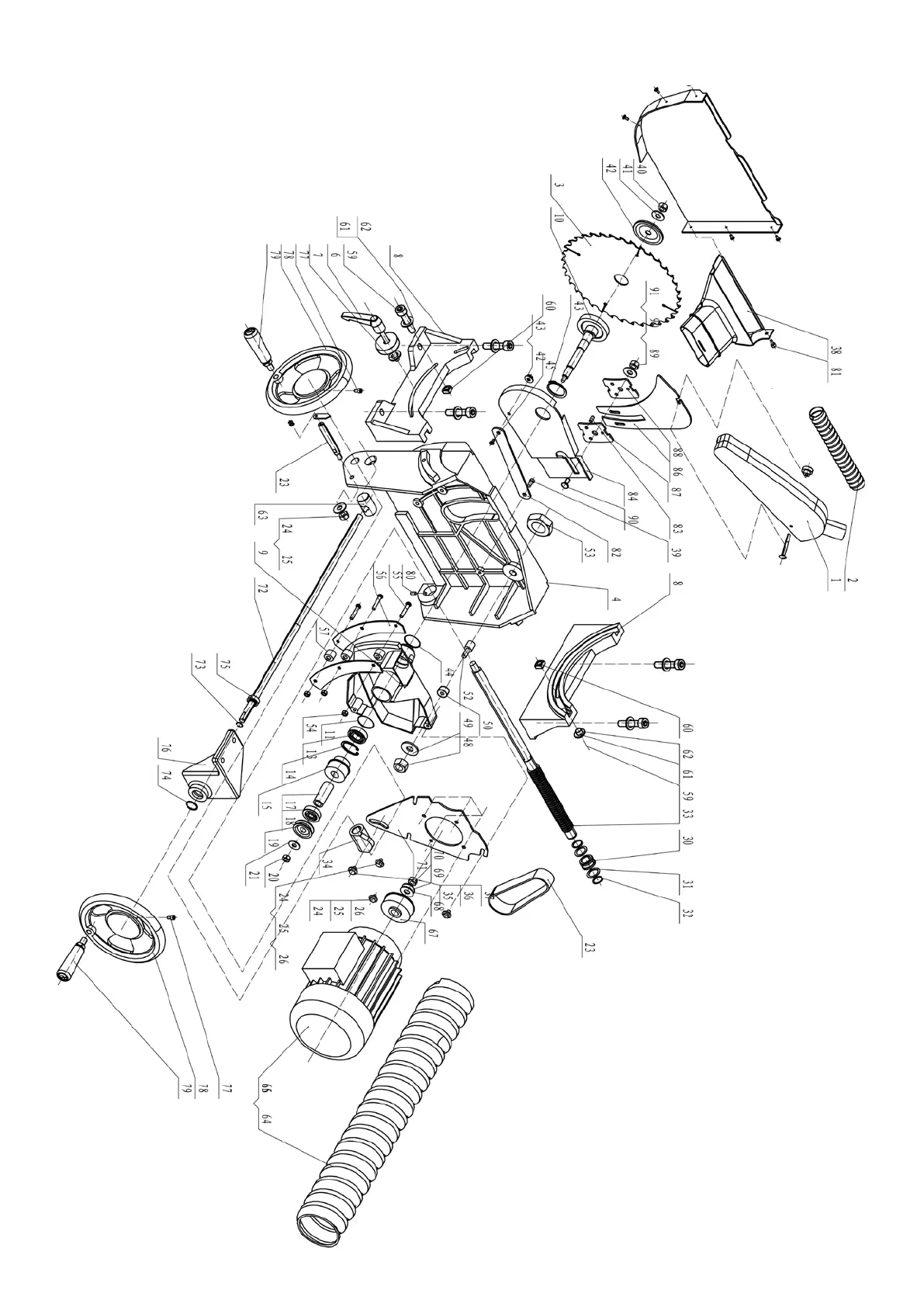
Record Power TS250C - Parts Lists & Diagrams; Main Saw Unit Components

Record Power TS250C
36 pages
Print Icon
To Next Page IconTo Next Page
To Next Page IconTo Next Page
To Previous Page IconTo Previous Page
To Previous Page IconTo Previous Page
Loading...
28
11. Parts Lists & Diagrams

Related product manuals