EasyManua.ls Logo

Regal 30 EXPRESS - Page 118

Default Icon
234 pages
Print Icon
To Next Page IconTo Next Page
To Next Page IconTo Next Page
To Previous Page IconTo Previous Page
To Previous Page IconTo Previous Page
Loading...
17
Equipment Operation
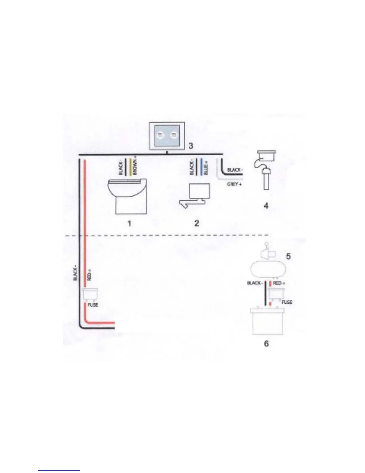
TYPICAL TOILET ELECTRICAL CIRCUIT
To 12 Volt Main
Ship’s Panel
Head Breaker
Wall Control
Pnael
To 12 Volt Main
Ship’s Panel
Fresh Water
Pressure Pump
Breaker
Components
1. Toilet Bowl
2. Solenoid Valve
3. Fresh Water Pressure Pump
4. System Vent
5. Holding Tank
6. Fresh Water Tank

Table of Contents