EasyManua.ls Logo

Regency LRI4E - Proflame Remote System Installation

Regency LRI4E
56 pages
Print Icon
To Next Page IconTo Next Page
To Next Page IconTo Next Page
To Previous Page IconTo Previous Page
To Previous Page IconTo Previous Page
Loading...
LRI4E / HRI4E Direct Vent Gas Insert | 19
|
19
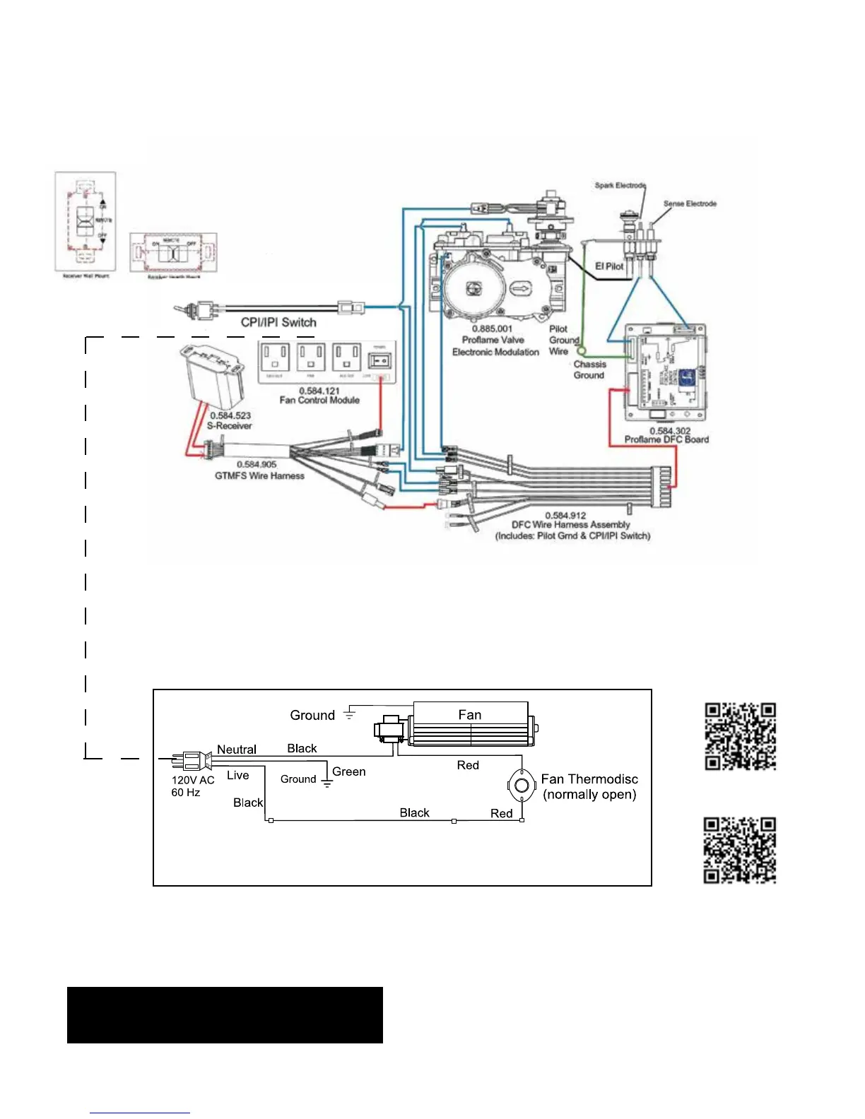
installation
GTMF REMOTE SYSTEM  IMPORTANT: The 120V fan control module serves as the power source for this unit. The AA batteries in the
receiver only serve as a backup in case 120 volt power lost within the home.
PROFLAME REMOTE SYSTEM GTMF WITH FAN (LRI4E / HRI4E)
CAUTION: Label all wires prior to disconnection
when servicing controls. Wiring errors can cause
improper and dangerous operation.
Caution: Ensure that the wires do not touch any
hot surfaces and are away from sharp edges.
Proame Remote
Operation
Proame Remote
Battery Change
Proflame System
Configuration
886 GTMF
Wire Diagram
885

Table of Contents

Related product manuals