EasyManua.ls Logo

Revox B790 - Page 34

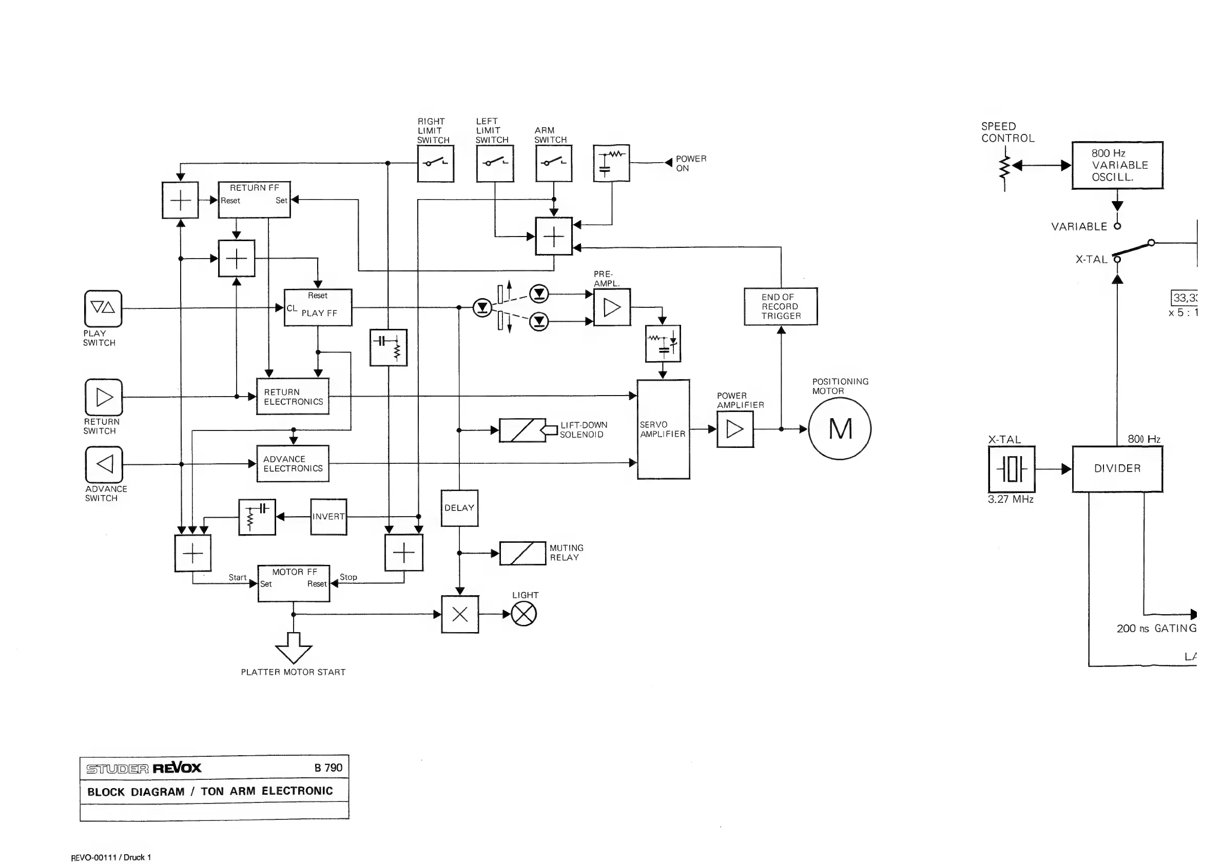
Revox B790
67 pages
Print Icon
To Next Page IconTo Next Page
To Next Page IconTo Next Page
To Previous Page IconTo Previous Page
To Previous Page IconTo Previous Page
Loading...
PLAY
SWITCH
RETURN
SWITCH
ADVANCE
SWITCH
REVO-00111
/
Druck
1
RETURN
FF
Reset
Set
PLATTER
MOTOR
START
RIGHT
LIMIT
SWITCH
LEFT
LIMIT
ARM
SWITCH
SWITCH
1
L
POWER
SERVO
AMPLIFIER
MUTING
RELAY
END
OF
RECORD
TRIGGER
POWER
AMPLIFIER
POSITIONING
MOTOR
SPEED
CONTROL
800
Hz
<q
>
VARIABLE
OSCILL.
VARIABLE
b
X-TAL
33,%
x5:
1
X-TAL
4{|t
DIVIDER
3.27
MHz
200
ms
GATING
LA

Related product manuals