EasyManua.ls Logo

Revox B790 - Page 37

Revox B790
67 pages
Print Icon
To Next Page IconTo Next Page
To Next Page IconTo Next Page
To Previous Page IconTo Previous Page
To Previous Page IconTo Previous Page
Loading...
400...120V=
400méT[[]
-
200...240¥
=
200mAT
MAINS
blu
:
blk
REvO-00111
/
Druck
4
blu
(ua
Alg
lets
5
oop
SIONS
MAINS
CONNECTION
BOARD
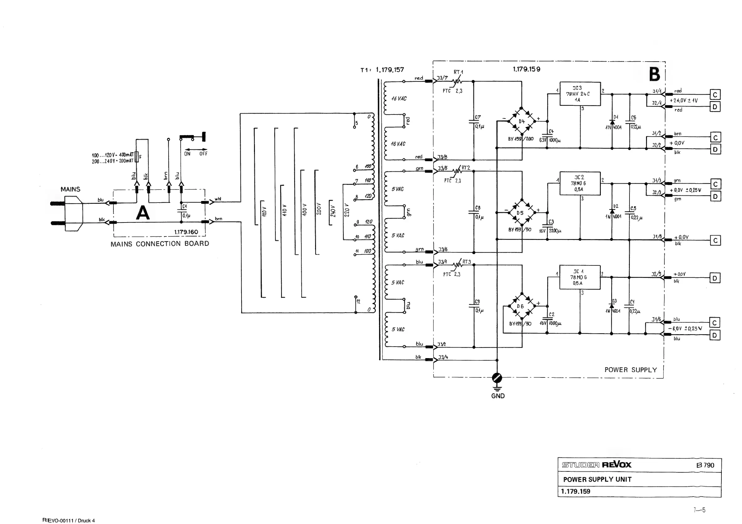
T41:
1,179,157
=
c7
OA
1.179.159
B
4
3¢3
env
enc
a
we
___Se]
4A
+24,0V
44V
red
[D
|
pee
oA
[O.2u
uA
gm
+60V
+025V
gm
[0
|
05
022
4
|
fA
+0,0V
a
eae
{c]
aC
A
7avop~—CoKZ
TP
lag
+204
tea
blk
|
D3
es
|
YOOA
0,22
;
JV
blu
Cc
|)
=s0v
t0,25v
C
blu
[D
|
POWER
SUPPLY
|!
Pp
fiat
tah
te
1.179.159

Related product manuals