EasyManua.ls Logo

Revox B790 - Page 40

Revox B790
67 pages
Print Icon
To Next Page IconTo Next Page
To Next Page IconTo Next Page
To Previous Page IconTo Previous Page
To Previous Page IconTo Previous Page
Loading...
+240V
0,0(4)¥
4
3
2
4
C2
+50V
5
cL
itp
pl2
Q
a
IC
1=74LS74
is
2=74LS
04
5
22,
ta
i
4
Zak
C27
eles
3=74LS10
0
1,..7
2
+50V
6
4=74LS00
9
+10
RAB
1N4448
4k
5=74LS11
12...
14
;
R3:
bse
OPEN
a
cen
eee
D.
5
=
20K
2
5)
R32
ke
|
+140V
cas
|
1
+6,0V
R56
R4
;
47K
1
LOWERING
10k
'
ISOLENOID
R35
()
8
\
SOL.i2
bu
oA
Bc2e/B
La
|
5
?
ov
Gas
Jess
R6
an
40K
|
1
eas
|
47k
OY
'
cz
Ae
iy
a2
CH
10n
|
2N4401L
AT
sooli)y
144
amv
|
+60V
|
iB
i
2N4404
-
C
)arfenaiotl
ae
47
1“)
2N4403
|
ne
:
|
R54
|
~60v
|
|
1.179.150
Lowe
NFL
REVO-00111
/
Druck
8
4.179.147
|
SWITCH
BOARD
/
ARM
pe
a
fet
LOWERING
LIF
TING
'
+40,0V
FAST
INWARD
|
FAST
OUTWARD
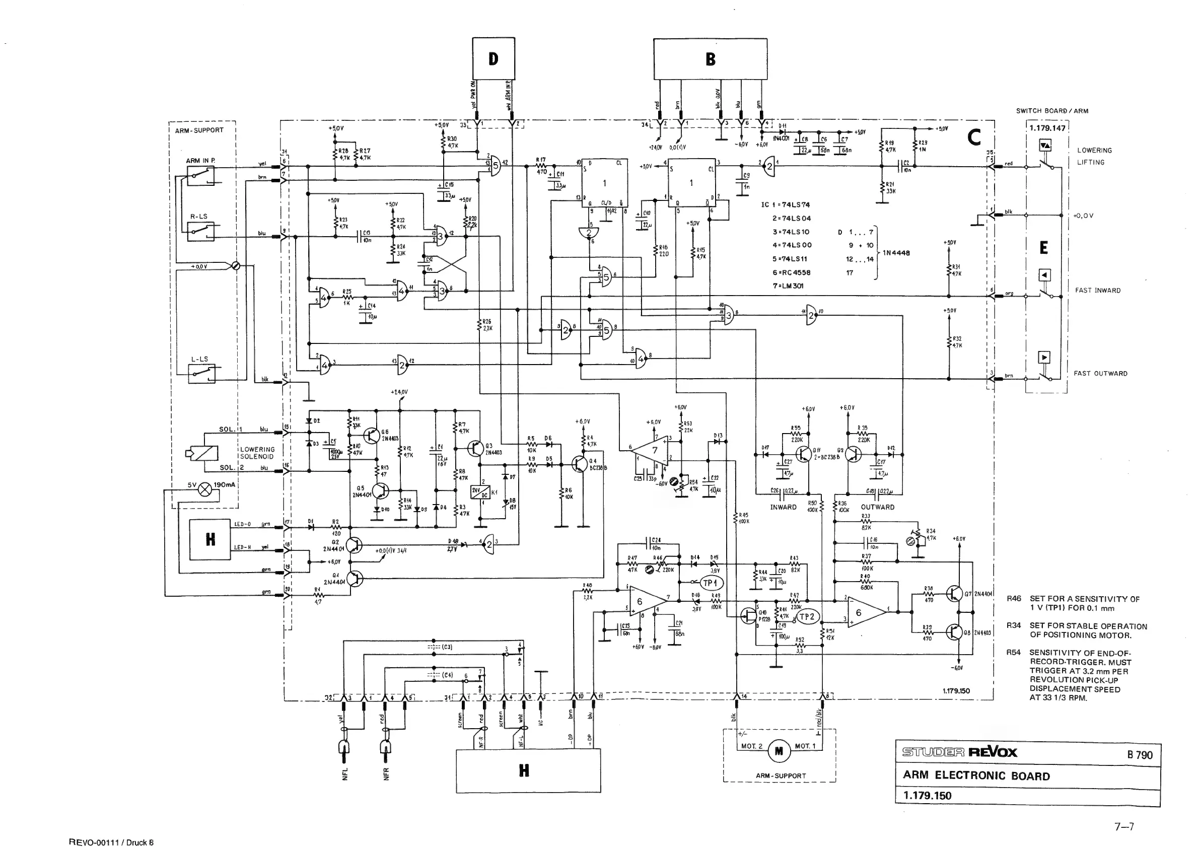
SET
FOR
A
SENSITIVITY
OF
1
V(TP1)
FOR
0.1
mm
SET
FOR
STABLE
OPERATION
OF
POSITIONING
MOTOR.
SENSITIVITY
OF
END-OF-
RECORD-TRIGGER.
MUST
TRIGGER
AT
3.2
mm
PER
REVOLUTION
PICK-UP
DISPLACEMENT
SPEED
AT
33
1/3
RPM.

Related product manuals