EasyManua.ls Logo

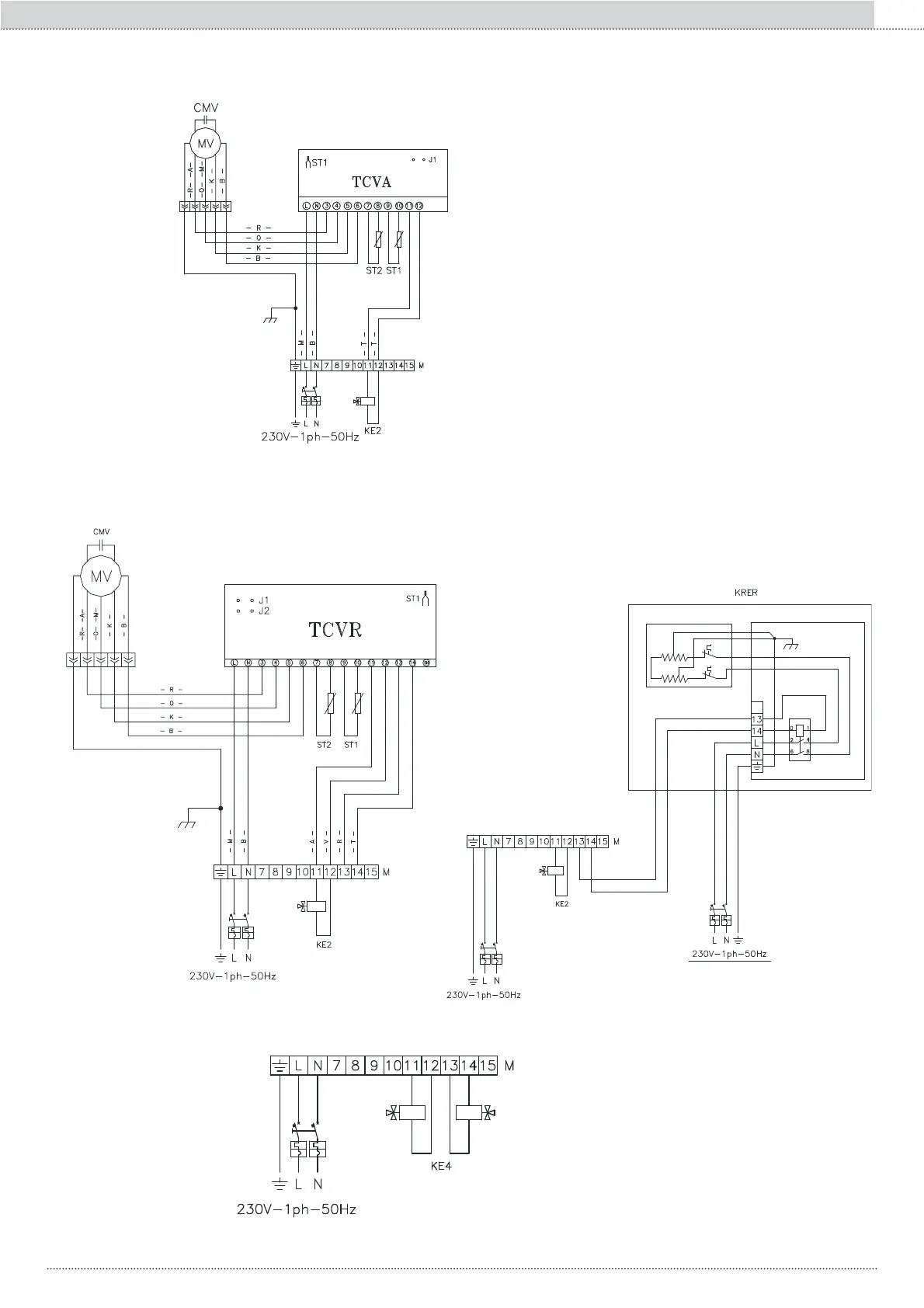
RHOSS Yardy EV3 - YardyEV3 Accessory Wiring (TCVA, TCVR)

RHOSS Yardy EV3
Print Icon
To Next Page IconTo Next Page
To Next Page IconTo Next Page
To Previous Page IconTo Previous Page
To Previous Page IconTo Previous Page
Loading...
47
Allegati / Enclosed Documents / Annexes / Anlagen / Anexos
YardyEV3 + TCVA
<DUG\(97&95SLSHV
<DUG\(97&95SLSHVUHVLVWRU
<DUG\(97&95SLSHV
2 Tubi / 2 Pipes / 2
Tuyaux / 2 Rohre / 2
Tubos
(2 Tubi / 2 Pipes / 2 Tuyaux / 2 Rohre / 2 Tubos) + KRER
4 Tubi / 4 Pipes / 4
Tuyaux / 4 Rohre / 4
Tubos

Table of Contents

Related product manuals