EasyManua.ls Logo

Riello UPS MASTER HE - SWOUT and SWMB Aux - External Temperature Sensor (Optional)

Riello UPS MASTER HE
57 pages
Print Icon
To Next Page IconTo Next Page
To Next Page IconTo Next Page
To Previous Page IconTo Previous Page
To Previous Page IconTo Previous Page
Loading...
0MNMHEM30RUENUB 00 pag. 23 / 57
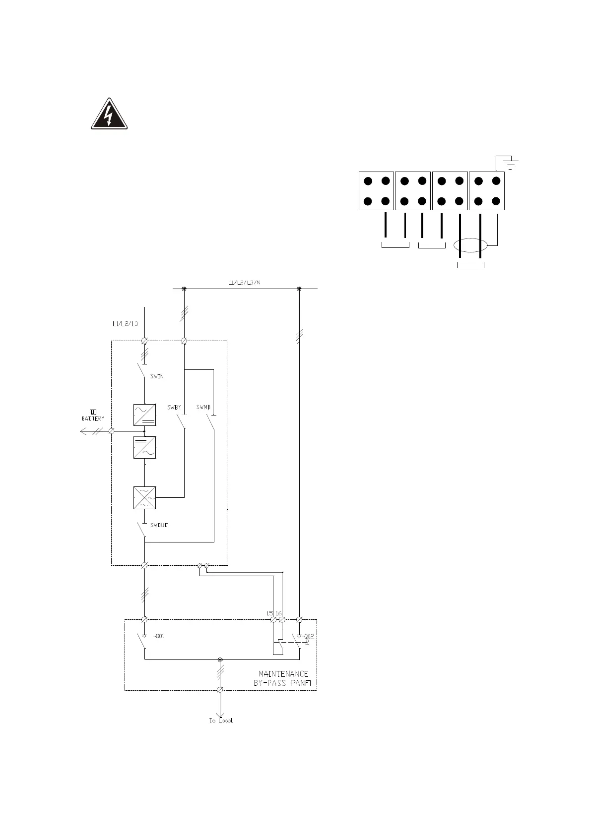
3.3.8 SWOUT and SWMB aux - External temperature sensor (optional).
WARNING
These terminals must not be connected to selv circuits
A = connection to external output UPS switch auxiliary;
B = connection to external bypass UPS switch auxiliary ;
T = external temperature sensor connection.
SUBSTITUTE IMMAGE
A,B terminals SWOUT and SWMB aux
Terminals to be used for the connection of the
auxiliary contacts of switches inserted in the
MASTER MPS system, see also the section on
“Insertion of additional system sectioning
devices” on page 38.
Inserting additional disconnectors to supplement
those already in the UPS means that the whole
equipment can be replaced without interrupting
the power supply to the load.
- Q01 additional output disconnector, Q02
additional disconnector of the external
maintenance bypass.
The auxiliary contacts Q02 must be connected to
terminals B.
Contact Q02 must be in the opposite position
(auxiliary open with switch closed, vice versa
with switch open)
T
B
- 30 ÷ 80 kVA -
A
B
UPS

Table of Contents

Related product manuals