EasyManua.ls Logo

Riello UPS MASTER HE - Maintenance Bypass for Parallel Systems

Riello UPS MASTER HE
57 pages
Print Icon
To Next Page IconTo Next Page
To Next Page IconTo Next Page
To Previous Page IconTo Previous Page
To Previous Page IconTo Previous Page
Loading...
0MNMHEM30RUENUB 00 pag. 47 / 57
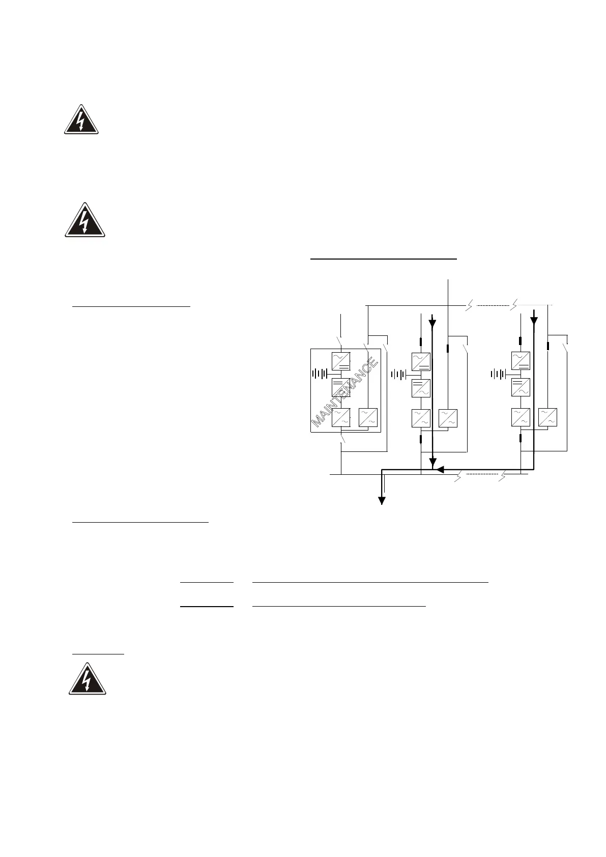
4.7 bypass for maintenance
observe the following precautions when operating SWMB
SWMB must not be closed on a UPS that is off and that is connected in parallel with other units operating
normally. This operation may cause a fault on the UPSs which may create a dangerous voltage at the
output. SWMB may be closed with the MASTER HE operating by following the procedure described in
the section “Operating modes” .
operation not to be executed
If disconnector SWMB is closed on any unit, the whole system switches onto bypass.
If all the switches are then opened to allow maintenance operations to be carried out, all the power required
by the load will switch onto the maintenance bypass line of the unit in which SWMB has been closed.
WARNING: both the automatic and the maintenance bypass line of each UPS is sized for the rated
power of the single unit.
N.B. To carry out maintenance on all the UPS, the switches SWMB of all the units must be closed.
maintenance on a single unit
This is the procedure to carry out maintenance
operations on a single unit (e.g. UPS1):
open switches SWBY, SWOUT, SWIN and the
battery cabinet disconnector on unit 1 only.
If the active UPSs can power the load, the system
remains in normal operation, and the maintenance can
be carried out on UPS1.
maintenance on the whole system
The sequences of operations to be carried out to place the system in maintenance bypass are described below. The
procedures vary depending on the initial state:
- All the UPS are in NORMAL OPERATION
procedure a) the power supply to the load is not interrupted in any way;
- whole system with output not synchronised with the bypass line
procedure b) the power supply to the load is interrupted
(therefore this operation should be effected only if absolutely necessary).
Procedure a)
the bypass line is present and its frequency and voltage are suitable the UPS display panel indicates
NORMAL OPERATION.
1. Pressing keys 3, 6, 4, 7, 2, 6, 3 in succession as shown on the display activates the command for
bypass with shutdown of the inverter (the UPSs connected to the one in which the code is inserted will
be automatically configured through the parallel cable);
2. check that the whole system switches onto the bypass line;
3. close all the disconnectors SWMB;
MHT
MHT
Bypass AC
Mains AC
load
Mains AC
Mains AC
SWIN
SWOUT
SWMB
SWBY
SWOUT
SWOUT
SWMB
SWBY
SWIN
SWBY
SWMB
SWIN
MHT

Table of Contents

Related product manuals