EasyManua.ls Logo

Riello UPS MASTER HE - External Maintenance Bypass

Riello UPS MASTER HE
57 pages
Print Icon
To Next Page IconTo Next Page
To Next Page IconTo Next Page
To Previous Page IconTo Previous Page
To Previous Page IconTo Previous Page
Loading...
pag. 38 / 57 0MNMHEM30RUENUB 00
da S
da S
da S
da S
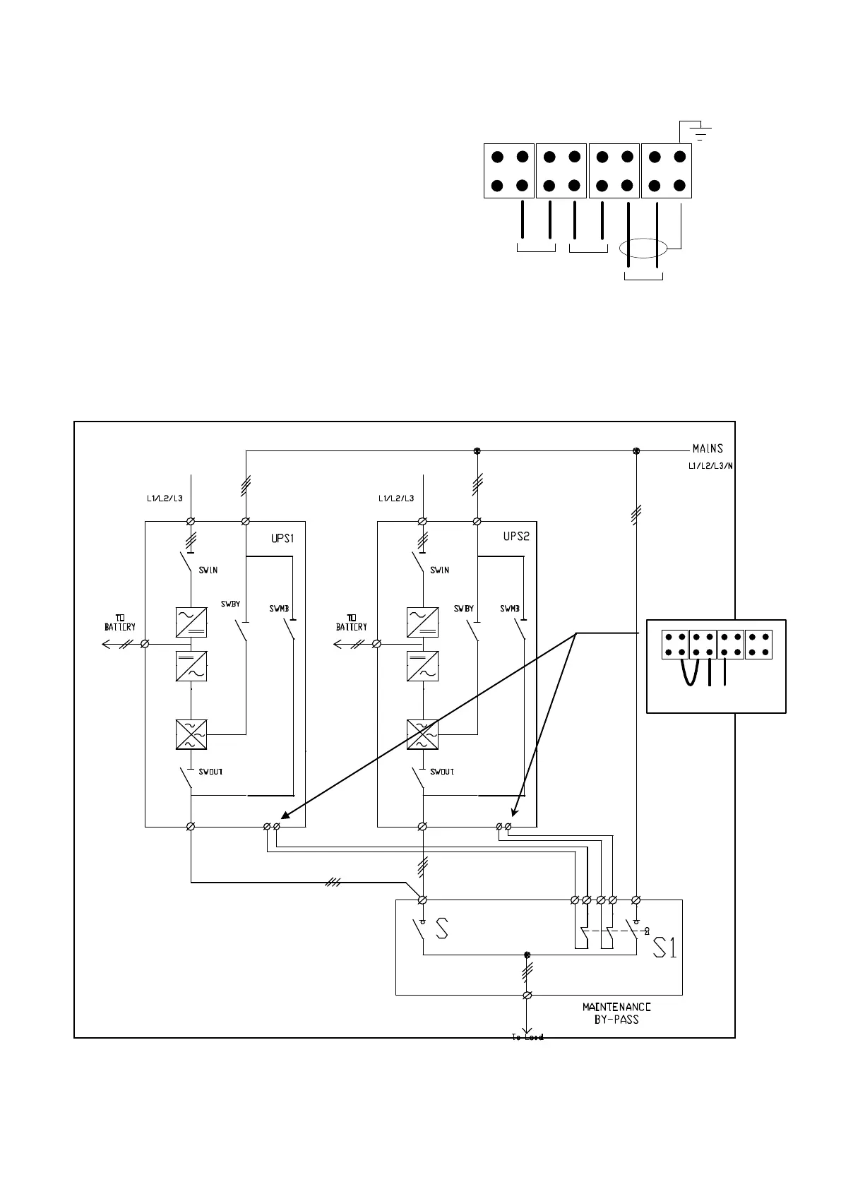
4.2.4 External maintenance bypass.
In some cases, in order to facilitate maintenance operations of the
individual units making up the system, it may be advisable to
install an external maintenance bypass.
The new disconnector located on the bypass line (Q2) must be
provided with auxiliary contacts (one for each UPS). The position
of the contact is opposite to the position of the switch, thus the
contact must be closed when the disconnector is open.
The contacts of each disconnector must be connected to the corresponding UPS terminals, as shown in the diagram.
T
B
- 30 ÷ 80 kVA -
A
da S
From S1

Table of Contents

Related product manuals