EasyManua.ls Logo

Riello UPS MASTER HP - Page 18

Riello UPS MASTER HP
24 pages
Print Icon
To Next Page IconTo Next Page
To Next Page IconTo Next Page
To Previous Page IconTo Previous Page
To Previous Page IconTo Previous Page
Loading...


0ML190480RUENUC page18/24

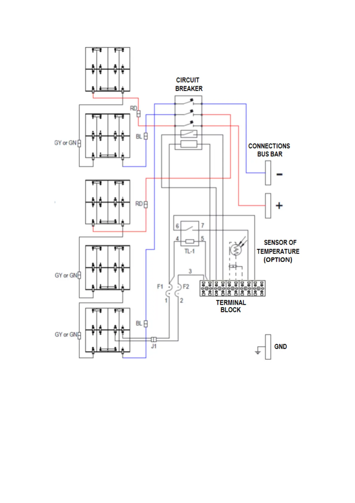
ELECTRICAL DRAWING

Related product manuals