EasyManua.ls Logo

Riello BS2D - Esquema Eléctrico Realizado en Fábrica

Riello BS2D
84 pages
Print Icon
To Next Page IconTo Next Page
To Next Page IconTo Next Page
To Previous Page IconTo Previous Page
To Previous Page IconTo Previous Page
Loading...
23
20135737
E
Instalación
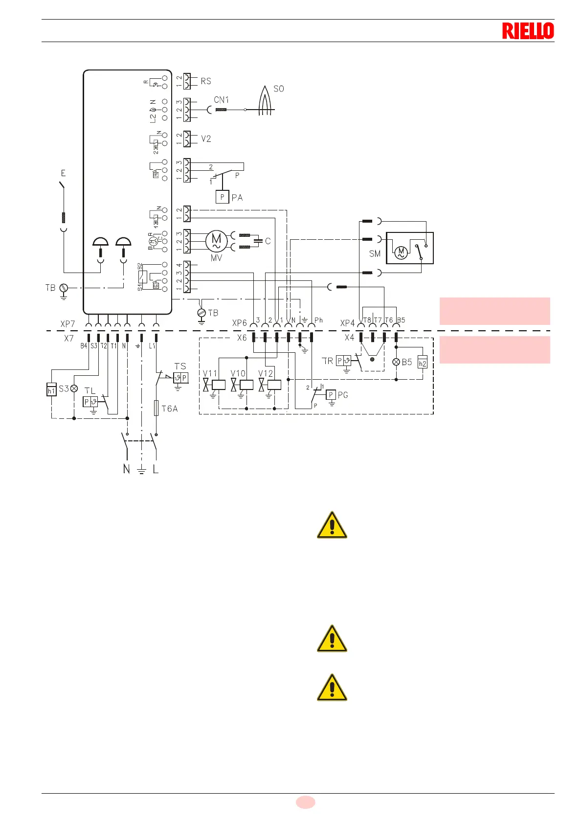
5.11.1 Esquema eléctrico realizado en fábrica
Leyenda
B5 Señalización func. 2ª llama
C Condensador
CN1 Conector sonda
E Electrodo
h.. Cuentahoras
MV Motor
PA Presostato aire mínimo.
PG Presostato gas mínimo.
RS Reset remoto
SM Servomotor registro de aire
SO Sonda ionización
S3 Indicador luminoso bloqueo (230V - 0,5 A máx)
T6A Fusible
TB Tierra del quemador
TL Termostato de solicitud calor
TR Termostato de regulación 1ª y 2ª etapa
TS Termostato de seguridad
V10 Válvula de seguridad
V11 Válvula 1º llama
V12 Válvula 2º llama
X.. Conector macho
XP.. Conexión
EFECTUADO
EN FÁBRICA
Fig. 18
230V ~ 50Hz
CAJA DE CONTROL
D4627
Interruptor
general
Marrón
Azul
Negro
A CARGO
DEL INSTALADOR
ATENCIÓN
No invertir Neutro con Fase en la línea de ali-
mentación eléctrica.
Controlar que la alimentación eléctrica del
quemador corresponda con la indicada en la
placa de identificación y en este manual.
La sección de los conductores debe ser de 1
mm
2
mín. (Salvo indicaciones diferentes de
normas y leyes locales).
Conectar el termostato 2º llama (TR) a los
bornes T6 - T8 quitando el puente.
ATENCIÓN
Compruebe la parada del quemador abriendo los
termostatos y el bloqueo abriendo el conector
(CN1)(Fig. 18) colocado en el cable rojo de la
sonda, situado en el exterior de la caja de control.
PRECAUCIÓN
Si aún está presente el capó, retirarlo y proceder
con el cableado eléctrico según lo indicado en los
esquemas eléctricos.
Utilizar cables flexibles según la norma EN 60
335-1.

Table of Contents

Related product manuals