EasyManua.ls Logo

Riello BS2F-GPL - Elektrisches Verdrahtungsschema

Riello BS2F-GPL
Print Icon
To Next Page IconTo Next Page
To Next Page IconTo Next Page
To Previous Page IconTo Previous Page
To Previous Page IconTo Previous Page
Loading...
20098824
10
D
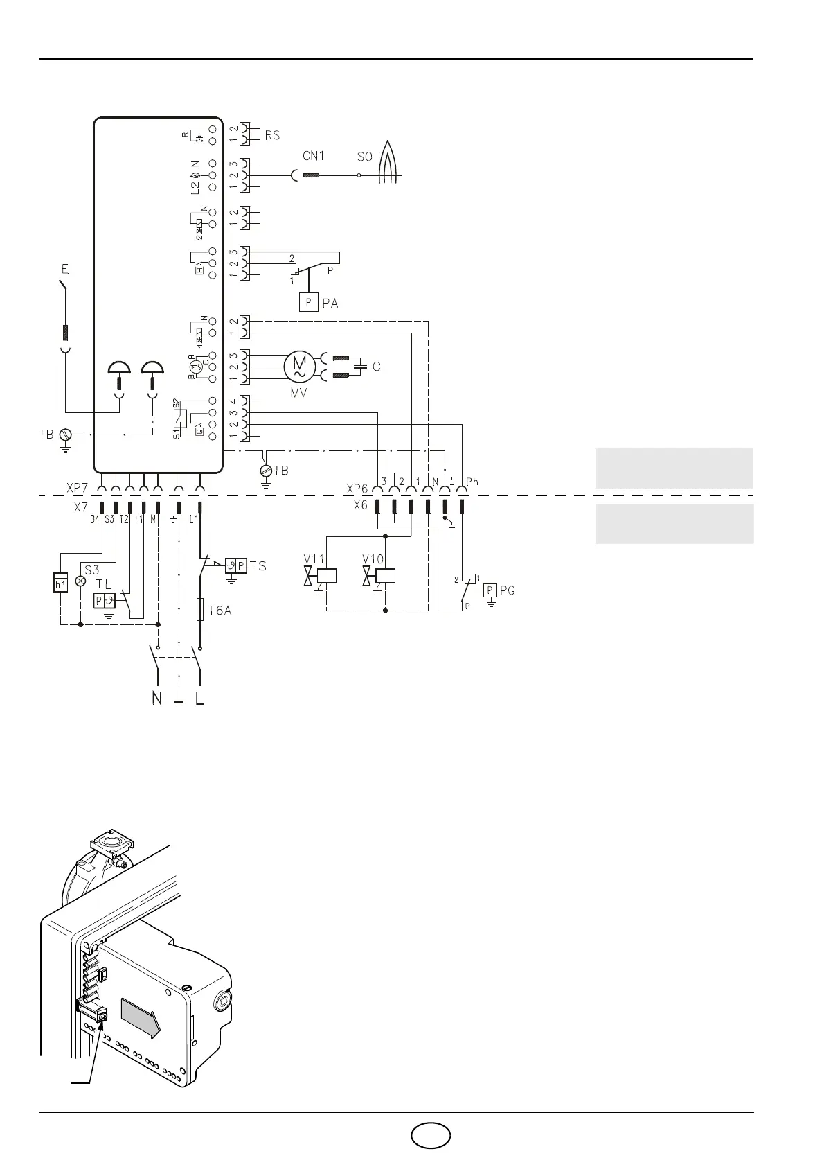
3.6 ELEKTRISCHES VERDRAHTUNGSSCHEMA
Hauptschalter
220/230V ~ 50/60Hz
D4626
ACHTUNG:
Nullleiter nicht mit Phase austauschen; sich genau an das angegebene
Schema halten und eine gute Erdung ausführen.
Der Leiterquerschnitt muss mindestens 1 mm2 sein. (Außer im Falle an-
derslautender Angaben durch Normen und örtliche Gesetze).
Die vom Installateur ausgeführten elektrischen Verbindungen müssen den
lokalen Bestimmungen entsprechen.
PRÜFUNG
Das Anhalten des Brenners überprüfen, indem die Thermostate geöffnet werden.
Die Störabschaltung des Brenners während des Betriebes überprüfen, indem der
Verbinder (CN1) geöffnet wird, der sich am roten Draht des Fühlers außen am
Steuergerät befindet.
STEUERGERÄT, (siehe Abb. 7)
Um das Steuergerät aus dem Brenner zu nehmen, ist folgendes notwendig:
alle an ihm angeschlossenen Verbinder, den 7-poligen Stecker, die Hoch-
spannungskabel und den Erdleiter (TB) abnehmen;
die Schraube (A) losschrauben und das Steuergerät in Pfeilrichtung ziehen.
Für die Installation des Steuergeräts ist folgendes notwendig:
die Schraube (A) mit einem Anzugsmoment von 1 ÷ 1,2 Nm anschrauben;
alle vorher abgetrennten Verbinder wieder anschließen.
ANMERKUNGEN:
Das bedeutet, dass sie mindestens 1 Mal alle 24 Stunden anhalten müssen, da-
mit das elektrische Steuergerät eine Kontrolle seiner Effizienz beim Anfahren
ausführen kann. Gewöhnlich wird das Anhalten des Brenners durch den Be-
grenzungsthermostat (TL) des Heizkessels gewährleistet. Sollte dies nicht der
Fall sein, muss ein Zeitschalter mit (TL) seriengeschaltet werden, der für das
Anhalten des Brenners mindestens einmal alle 24 Stunden sorgt.
ZEICHENERKLÄRUNG
C Kondensator
CN1 Verbinder Fühler
E Zündelektrode
h1 1. Stufe Stundenzähler
MV Motor
PA Minimalluftdruckwächter
PG Minimalgasdruckwächter
RS Fernentstörung
SO Flammenfühler
S3 Störabschaltung-Fernmeldung
(230V - 0,5A max.)
T6A Sicherung
TB Brenner-Erdung
TL Grenzthermostat
TS Sicherheitsthermostat
V10 Sicherheitsventil
V11 Einstellventil
X.. Stecker
XP.. Steckdose
MG569
STEUERGERÄT
VOM INSTALLATEUR
AUSZUFÜHREN
WERKSSEITIGE
EINSTELLUNG
A
Abb. 7
E9250

Table of Contents

Related product manuals