EasyManua.ls Logo

Riello Gulliver - Alimentation du Combustible; Fixation À la Chaudière; 3 Installation

Riello Gulliver
Print Icon
To Next Page IconTo Next Page
To Next Page IconTo Next Page
To Previous Page IconTo Previous Page
To Previous Page IconTo Previous Page
Loading...
1892
3
F
3. INSTALLATION
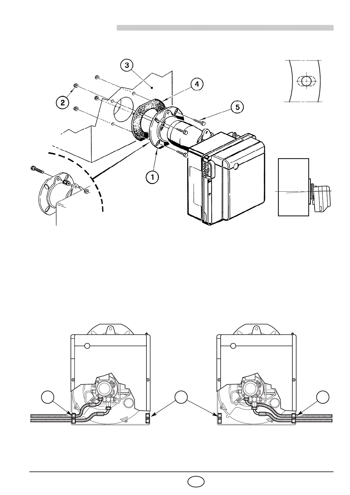
3.1 FIXATION A LA CHAUDIERE
Insérer sur la bride (1) la vis et deux écrous, (voir fig. 3).
Elargir, si nécessaire, les trous dans le joint isolant (4), (voir fig. 4).
Fixer sur la plaque de la chaudière (3) la bride (1) par l’intermédiaire des vis (5) et
(si nécessaire)
des
écrous (2) en
interposant le joint isolant (4)
, (voir fig. 2).
Lorsque le montage est terminé, vérifier que le brûleur soit légèrement incliné comme en figure 5.
3.2 ALIMENTATION DU COMBUSTIBLE
Le brûleur est prééquipé pour recevoir les tubes d’alimentation du fioul des deux cotés.
Selon que la sortie des flexibles est à droite ou à gauche, il peut y avoir lieu de changer l’emplacement de
la plaque de fixation
(1)
avec celle d’obturation
(2)
, (voir fig. 6).
Fig. 5
D5012
Fig. 4
D5025
Fig. 2
Fig. 3
S7071
D5530
Fig. 6
121

Related product manuals