EasyManua.ls Logo

Riello Gulliver - Bevestiging Op de Ketel; Brandstoftoevoer; 3 Installatie

Riello Gulliver
Print Icon
To Next Page IconTo Next Page
To Next Page IconTo Next Page
To Previous Page IconTo Previous Page
To Previous Page IconTo Previous Page
Loading...
1892
3
NL
3. INSTALLATIE
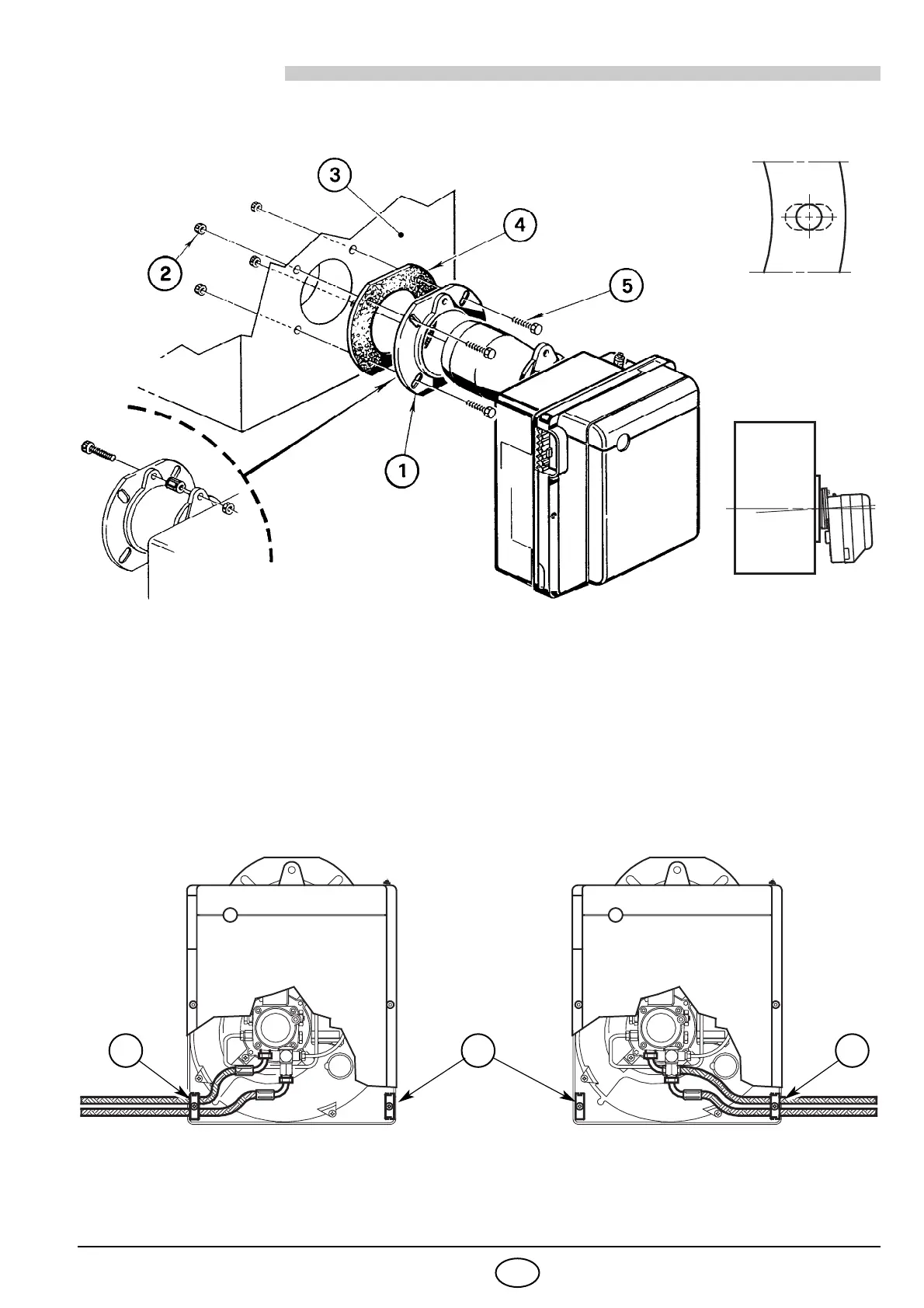
3.1 BEVESTIGING OP DE KETEL
Schroef en twee moeren in de flens (1) aanbrengen, (zie fig. 3).
Indien nodig, de gaten in de flensdichting (4) vergroten, (zie fig. 4).
Bevestig de flens (1) op de ketelplaat (3) met behulp van de schroeven (5) en
(indien nodig)
de moeren (2) en
voeg de flensdichting (4) ertussen
, (zie fig. 2).
Als de brander geplaatst is, dient hij lichtjes over te hellen zoals in fig. 5.
3.2 BRANDSTOFTOEVOER
In de fabriek werd de brander voorzien om de brandstoftoevoerleidingen langs beide zijden te kunnen aan-
sluiten. Afhankelijk van de uitgang van de flexibels - links of rechts - kan het nodig zijn om de plaatsing van
het bevestigingsplaatje
(1)
en het afdekplaatje
(2)
om te wisselen, (zie fig. 6).
Fig. 5
D5012
Fig. 4
D5025
Fig. 2
Fig. 3
S7071
D5530
Fig. 6
121

Related product manuals