EasyManua.ls Logo

Riello Gulliver - Brennermontage; Brennstoffversorgung; Installation

Riello Gulliver
Print Icon
To Next Page IconTo Next Page
To Next Page IconTo Next Page
To Previous Page IconTo Previous Page
To Previous Page IconTo Previous Page
Loading...
1892
3
D
3. INSTALLATION
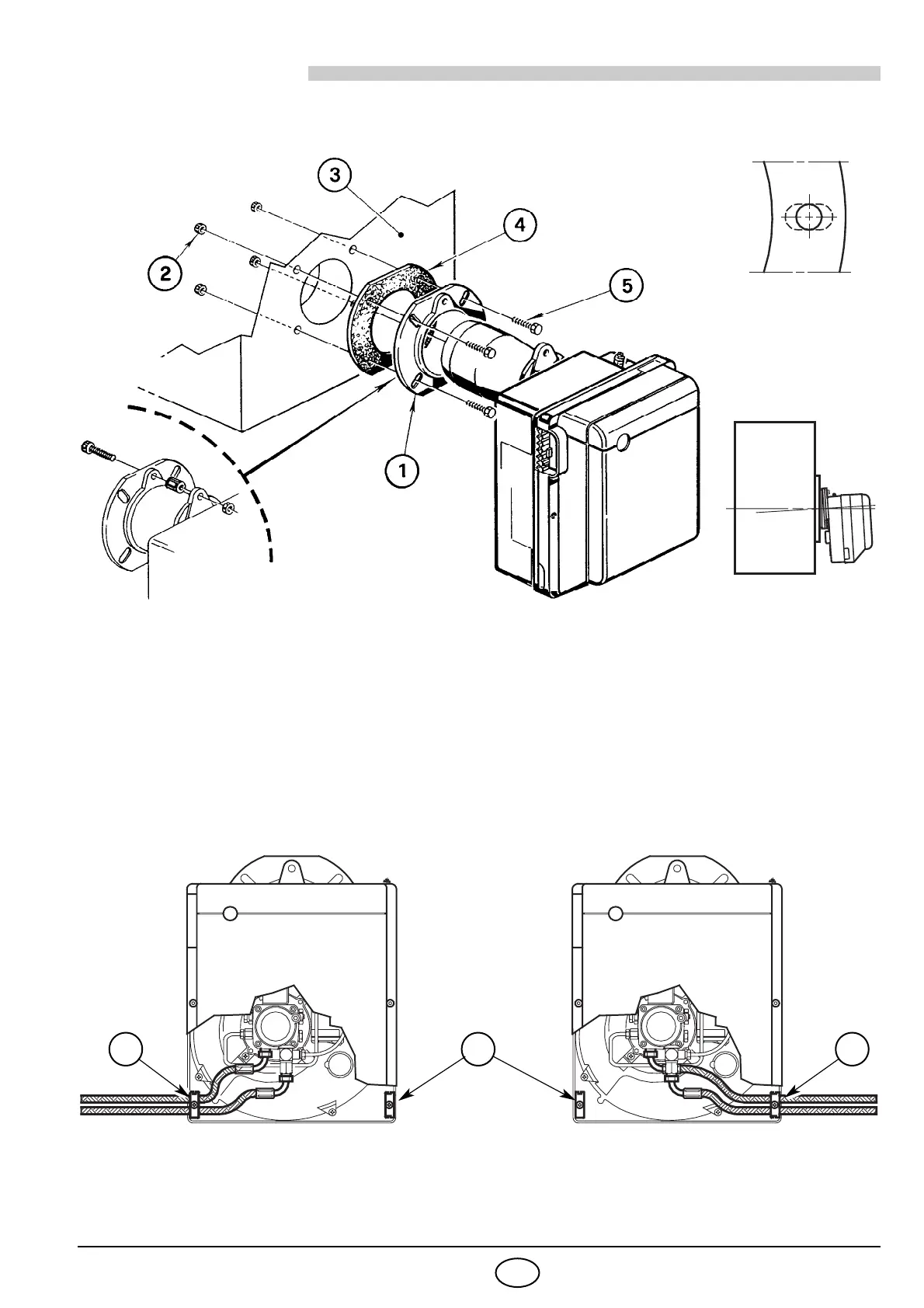
3.1 BRENNERMONTAGE
Die Schraube und die beiden Muttern am Flansch (1) montieren, (siehe Abb. 3).
Falls erforderlich, die Bohrungen der Isolierdichtung (4) erweitern, (siehe Abb. 4).
Mit den Schrauben (5) und
(falls erforderlich)
den Muttern (2) den Flansch (1) an der Kesseltür (3) mit
Isolierdichtung (4) montieren, (siehe Abb 2).
Nach Abschluß der Montagearbeiten überprüfen, ob der Brenner leicht geneigt ist, wie in Abb. 5.
3.2 BRENNSTOFFVERSORGUNG
Die Ölschläuche werden mit den Winkelanschlüssen an der Ölpumpe montiert, wobei die Ölschläuche
nach links oder nach rechts aus dem Brenner herausgeführt werden können.
Es muß jeweils die Halteschelle
(1)
bzw. der Verschlußwinkel
(2)
gewechselt werden. (Siehe Abb. 6).
Abb. 5
D5012
Abb. 4
D5025
Abb. 2
Abb. 3
S7071
D5530
Abb. 6
121

Related product manuals