EasyManua.ls Logo

Riello RS 28 - Page 40

Riello RS 28
48 pages
Print Icon
To Next Page IconTo Next Page
To Next Page IconTo Next Page
To Previous Page IconTo Previous Page
To Previous Page IconTo Previous Page
Loading...
20144599
38
GB
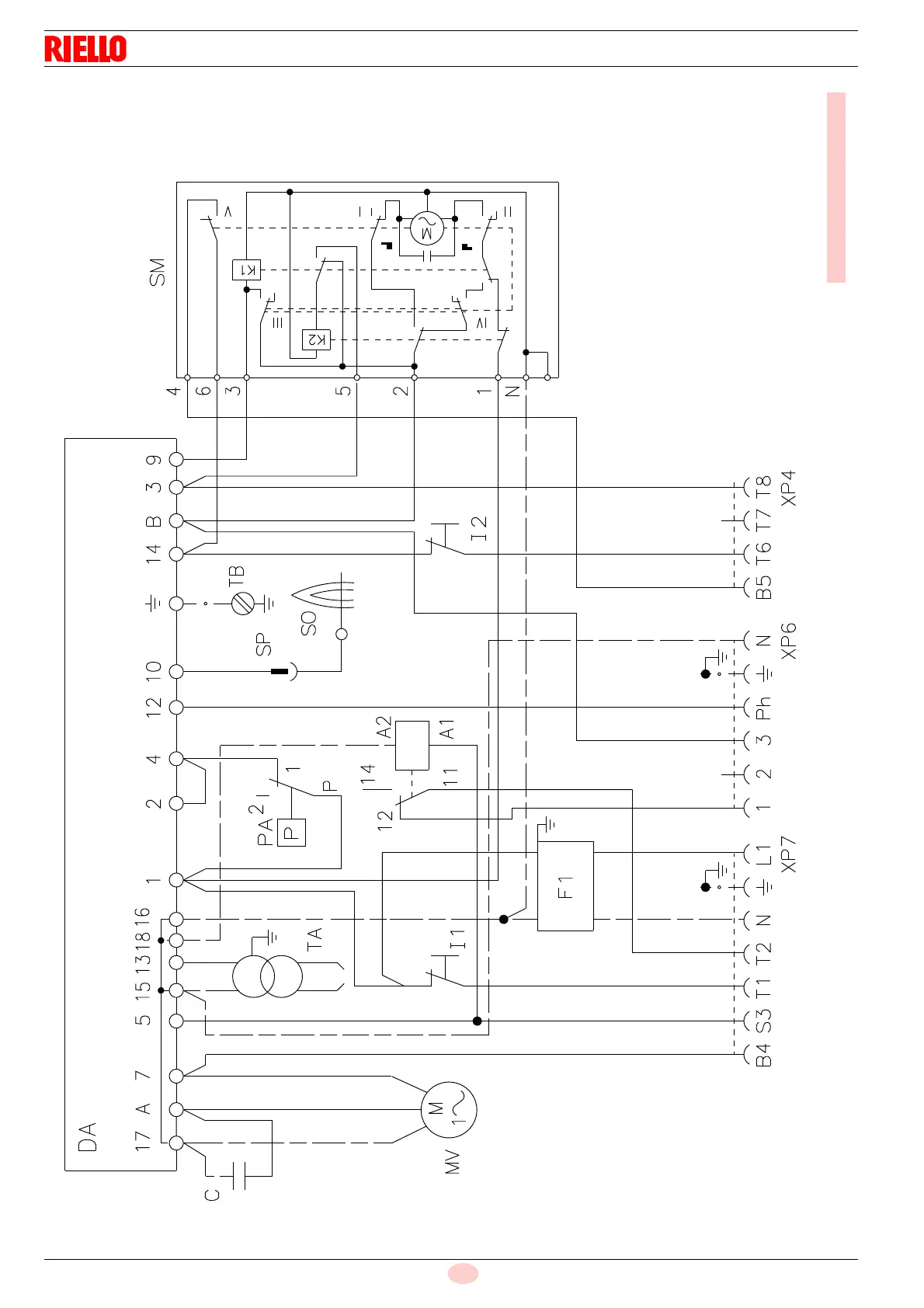
Appendix - Electrical panel layout
K1
RS 28 SINGLE-PHASE
20129156
DIAGRAM A

Table of Contents

Related product manuals