EasyManua.ls Logo

Rinnai Infinity 20e - Page 83

Rinnai Infinity 20e
91 pages
Print Icon
To Next Page IconTo Next Page
To Next Page IconTo Next Page
To Previous Page IconTo Previous Page
To Previous Page IconTo Previous Page
Loading...
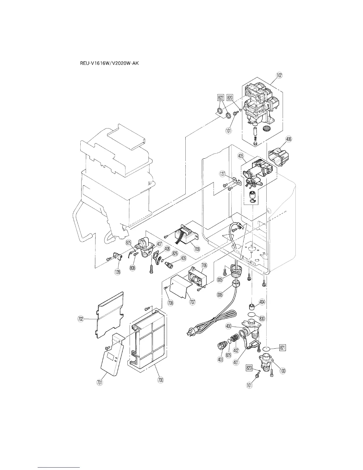
REU-V1616W/REU-V2018W/REU-V2020W - 43 - Issue 1 - 10/10/03 ©Rinnai

Related product manuals