EasyManua.ls Logo

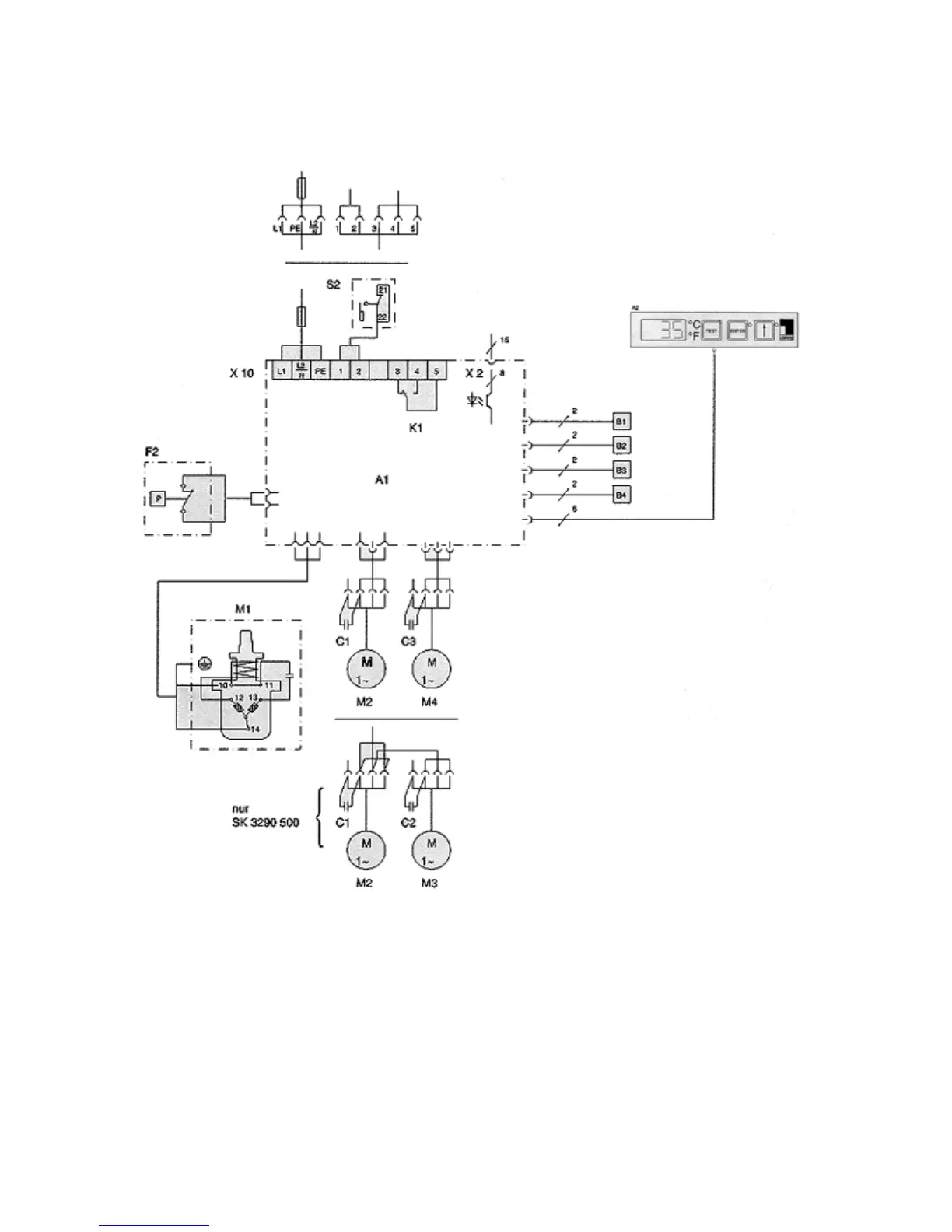
Rittal SK 3290500 - Wiring Diagram

Rittal SK 3290500
23 pages
Print Icon
To Next Page IconTo Next Page
To Next Page IconTo Next Page
To Previous Page IconTo Previous Page
To Previous Page IconTo Previous Page
Loading...
Wiring Diagram:

Related product manuals