EasyManua.ls Logo

Robin RGX3500 - WIRING DIAGRAM; Generator Model Wiring Diagrams

Robin RGX3500
94 pages
Print Icon
To Next Page IconTo Next Page
To Next Page IconTo Next Page
To Previous Page IconTo Previous Page
To Previous Page IconTo Previous Page
Loading...
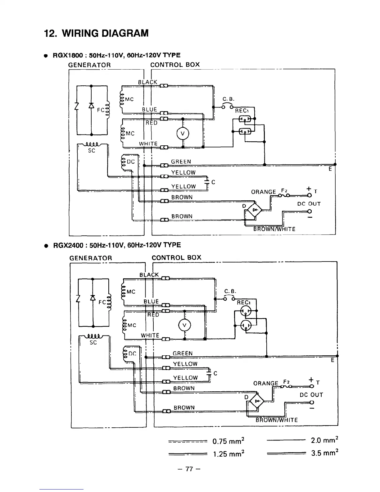
12. WIRING DIAGRAM
l
RGX1800 : 50Hz-11 OV, 6OHz-120V TYPE
GENERATOR
CONTROLBOX
0
RGX2400 : 50Hz-11 OV, 60Hz-120V TYPE
FlYI
FC
--1 I --
--
I-
DC OUT
RanWN
I
I I
GENERATOR
CONTROL BOX
_--------
0.75mm*
2.0
mm*
_-.-
1.25
mm*
3.5
mm*
- 77 -

Related product manuals