EasyManua.ls Logo

Romac Transmate TapMate - Machine Overview

Romac Transmate TapMate
35 pages
Print Icon
To Next Page IconTo Next Page
To Next Page IconTo Next Page
To Previous Page IconTo Previous Page
To Previous Page IconTo Previous Page
Loading...
TAPMATE
XL 424 OPERATING MANUAL
4
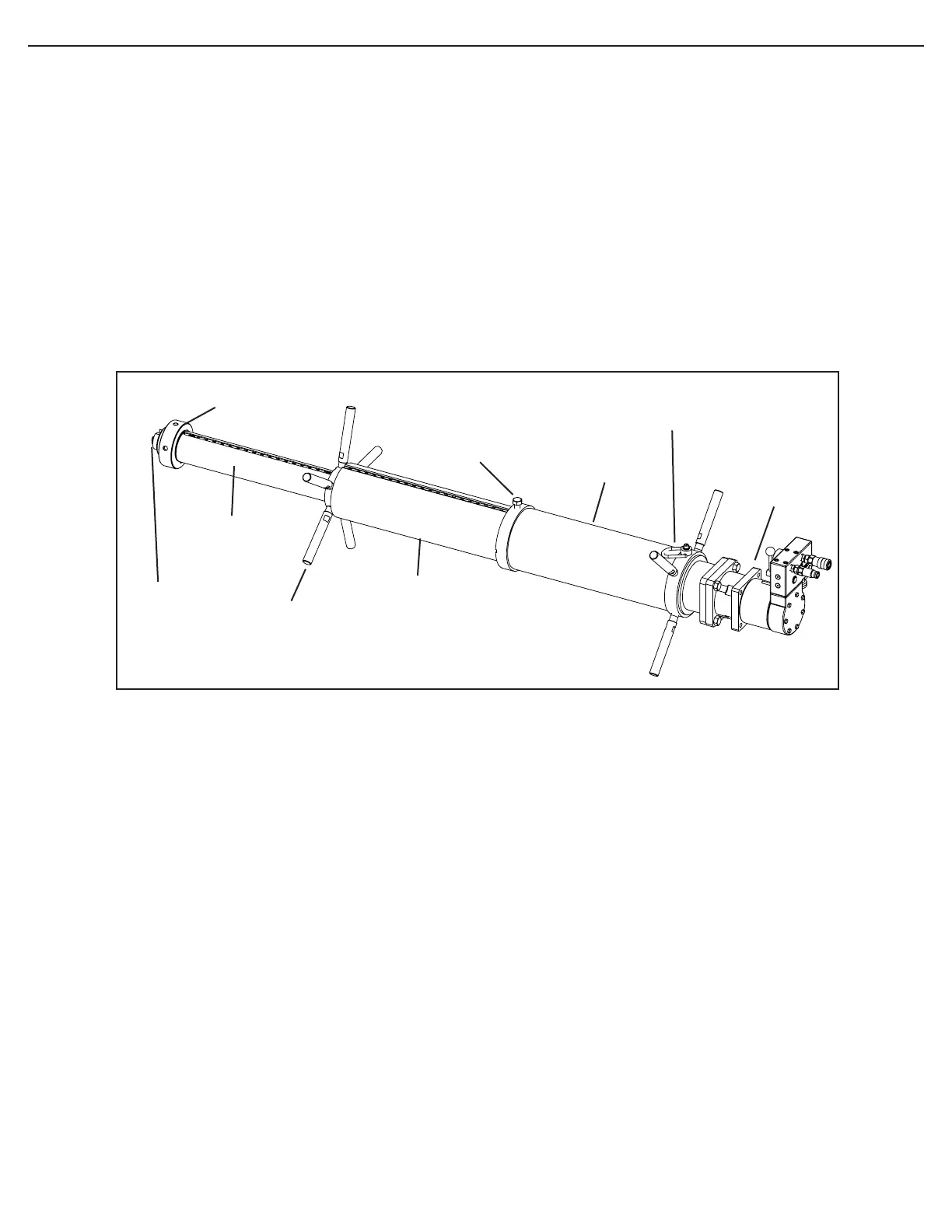
MACHINE OVERVIEW
While you may be familiar with the TapMate drilling machine, the TapMate XL‑424 is
larger and has different operating requirements. These include:
• The TapMate XL‑424 has no sliding Tubes or Brakes.
• Fewer turns are required to complete the tap (in most cases).
• TapMate XL‑424 feed rates are slower due to the ACME threads.
The TapMate XL‑424 drilling machine consists of four distinct sections. These sections
are the Shaft, Lead Tube, Thrust Tube and the Brake Tube.
The threaded Thrust Tube is located in the center of the machine and the Brake Tube
is positioned toward the back of the machine. Together, they control travel of the Shell
Cutter and Pilot Drill. Prior to the cut, the Shell Cutter and Pilot Drill are extended
through the valve and tapping sleeve neck to the pipe wall using the Brake Tube Han‑
dles. After the cut is complete, the Shell Cutter and Pilot Drill retract through the valve
to allow the valve to be operated.
After the tap is completed and you are drawing the Cutter away from the Pipe, the Brake
Tube thread prevents water pressure from turning the Brake Tube.
The Lead Tube and Lead Nut are located inside the front end of the Thrust Tube. To‑
gether, they provide the forward pressure necessary for the Pilot Drill and Shell Cutter
during the cutting operation.
The Shaft is a single piece running through the center of the Machine. It is threaded on
the front end to accept the Pilot Drill and Shell Cutter. The other end of the Shaft mates
with the Hydraulic Drive Unit.
Lead Tube
Thrust Tube
Brake Tube
Shaft
Lead Nut
w/Handles
Brake Locking Bolt
Rear Lifting Ring
Locking Collar
Integrated
Hydraulic
Drive
g. 1