EasyManua.ls Logo

Rosemount 2081 pH - Intrinsically Safe System Installation Schematic (FM)

Rosemount 2081 pH
39 pages
Print Icon
To Next Page IconTo Next Page
To Next Page IconTo Next Page
To Previous Page IconTo Previous Page
To Previous Page IconTo Previous Page
Loading...
9
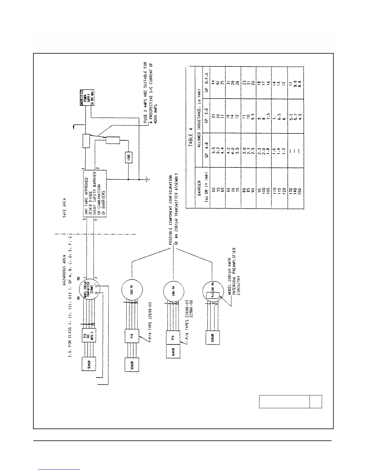
FIGURE 1-7. Intrinsically Safe System Installation Schematic (FM) Page 2 of 2)
DWG. NO. REV.
1400161 A
MODEL 2081 pH SECTION 1.0
INSTALLATION

Related product manuals