EasyManua.ls Logo

Saimo 6101 - Page 18

Saimo 6101
101 pages
Print Icon
To Next Page IconTo Next Page
To Next Page IconTo Next Page
To Previous Page IconTo Previous Page
To Previous Page IconTo Previous Page
Loading...
6101
6101
6101
6101 Belt
Belt
Belt
Belt Scale
Scale
Scale
Scale Integrator
Integrator
Integrator
Integrator Operating
Operating
Operating
Operating and
and
and
and Service
Service
Service
Service Manual
Manual
Manual
Manual
2
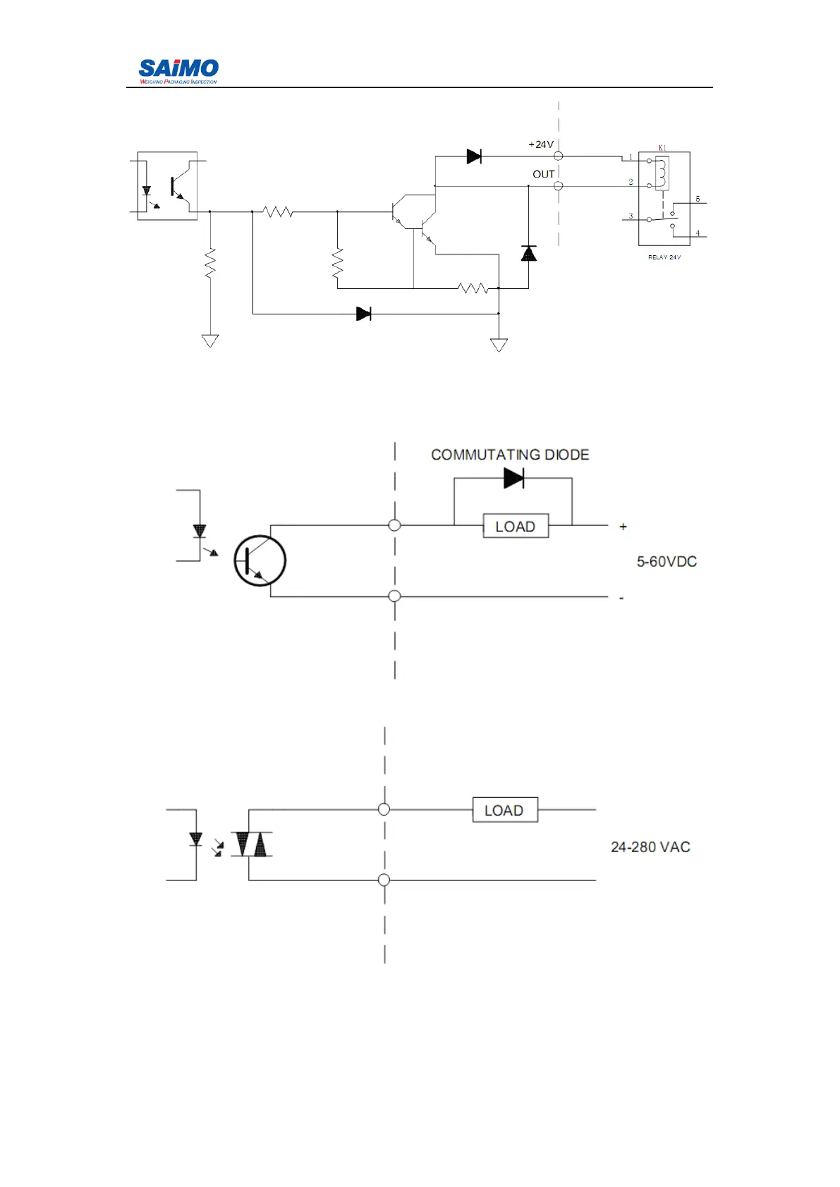
Figure 1- 6 Digital output inner wiring drawing
Figure 1- 7 DC solid state relay wiring drawing
Figure 1- 8 AC state relay wiring drawing