EasyManua.ls Logo

Samsung 550 - Connecting a VCR

Samsung 550
127 pages
Print Icon
To Next Page IconTo Next Page
To Next Page IconTo Next Page
To Previous Page IconTo Previous Page
To Previous Page IconTo Previous Page
Loading...
English - 13
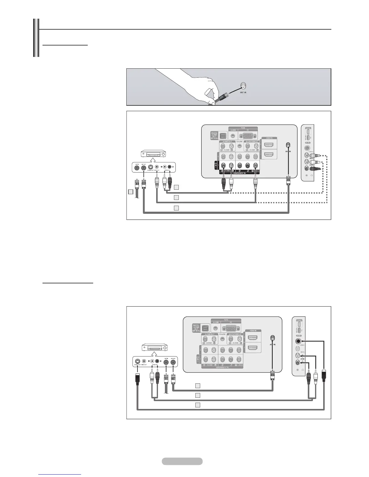
Connecting a VCR
Video Connection
These instructions assume that you have already connected your TV to an antenna or a cable TV system (according
to the instructions on pages 9~10). Skip step 1 if you have not yet connected to an antenna or a cable system.
®
If you have a “mono” (non-stereo) VCR, use a Y-connector (not supplied) to hook
up to the right and left audio input jacks of the TV.
If your VCR is stereo, you must connect two cables.
®
Each VCR has a different back panel configuration.
®
When connecting a VCR, match the color of the connection terminal to the cable.
®
When connecting to AV IN 1, the color of the AV IN 1 [Y/VIDEO] jack (Green) does
not match the color of the video cable (Yellow).
S-Video Connection
Your Samsung TV can be connected to an S-Video jack on a VCR.
(This connection delivers a better picture as compared to a standard VCR.)
1 To begin, follow steps 1–3
in the previous section to
connect the antenna or cable
to your VCR and your TV.
2 Connect an S-Video Cable
between the S-VIDEO OUT
jack on the VCR and the AV
IN 2 [S-VIDEO] jack on the
TV.
3 Connect Audio Cables
between the AUDIO OUT
jacks on the VCR and the AV
IN 2 [R-AUDIO-L] jacks on
the TV.
An S-Video may be included with your VCR. (If not, check your local electronics store.)
®
Each VCR has a different back panel configuration.
®
When connecting a VCR, match the color of the connection terminal to the cable.
VCR Rear Panel
TV Rear Panel
Audio Cable (Not supplied)
3
S-Video Cable(Not supplied)2
Antenna cable(Not supplied)1
1 Unplug the cable or antenna
from the back of the TV.
2 Connect the cable or antenna
to the ANT IN terminal on the
back of the VCR.
3 Connect an Antenna Cable
between the ANT OUT
terminal on the VCR and the
ANT IN terminal on the TV.
4 Connect a Video Cable
between the VIDEO OUT
jack on the VCR and the AV
IN 1 [Y/VIDEO] or AV IN 2
[VIDEO] jack on the TV.
5 Connect Audio Cables
between the AUDIO OUT
jacks on the VCR and the AV
IN 1 (or AV IN 2) [R-AUDIO-L]
jacks on the TV.
TV Side Panel
VCR Rear Panel
TV Rear Panel
2
Audio Cable(Not supplied)5
Video Cable(Not supplied)4
Antenna cable(Not supplied)3
TV Side Panel

Table of Contents

Other manuals for Samsung 550

Related product manuals