EasyManua.ls Logo

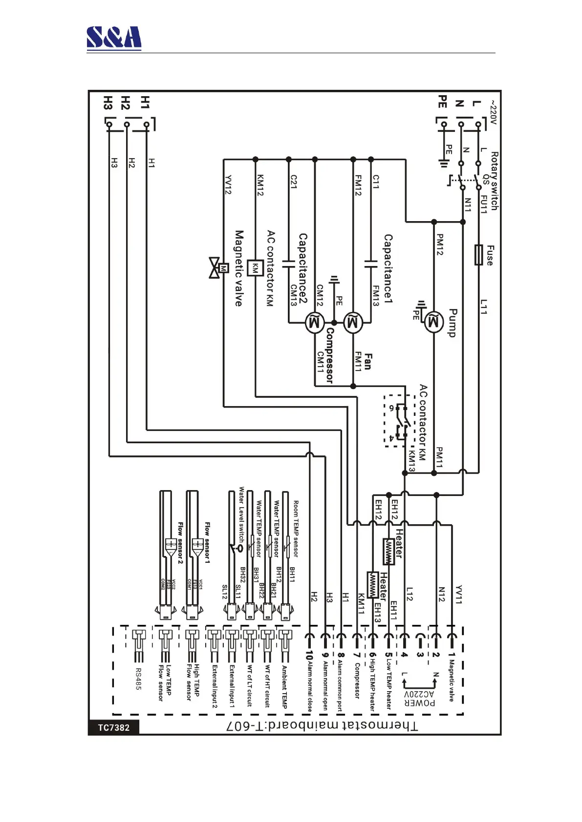
S&A PRO Series - Attachment - Schematic CWFL-1500;2000;3000

S&A PRO Series
18 pages
Print Icon
To Previous Page IconTo Previous Page
To Previous Page IconTo Previous Page
Loading...
TY-JS-220607-001
18
CWFL-1500/2000/3000

Related product manuals