EasyManua.ls Logo

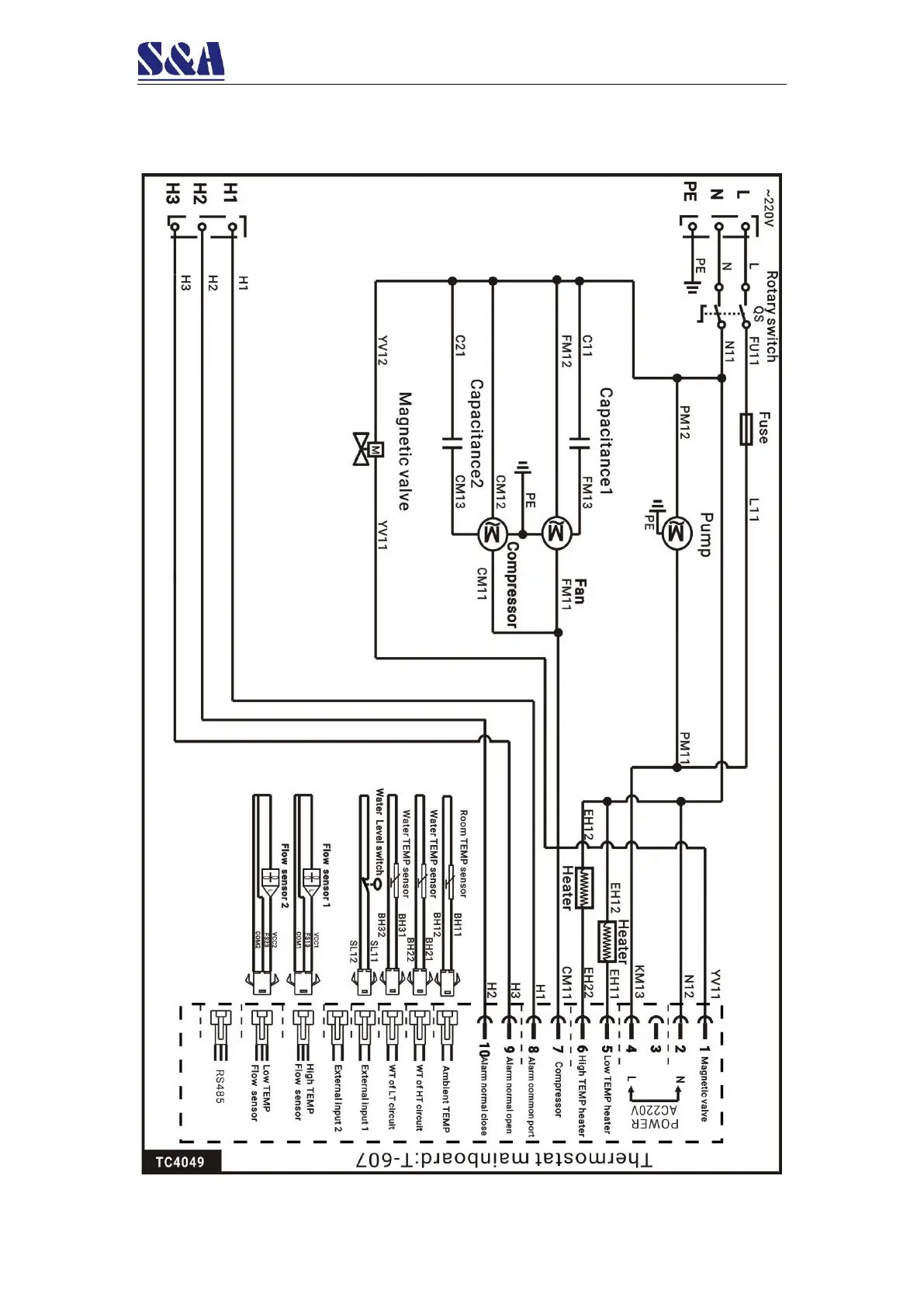
S&A PRO Series - Attachment - Schematic CWFL-1000

S&A PRO Series
18 pages
Print Icon
To Next Page IconTo Next Page
To Next Page IconTo Next Page
To Previous Page IconTo Previous Page
To Previous Page IconTo Previous Page
Loading...
TY-JS-220607-001
17
Attachment Schematic
CWFL-1000

Related product manuals